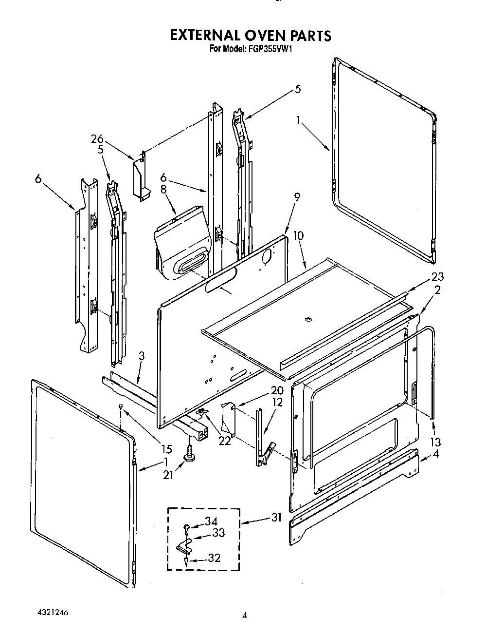
FGP355VW1 04 – EXTERNAL OVENadmin2025-04-26T08:40:39+00:00FGP355VW1 04 – EXTERNAL OVEN
Products
| Position | Product |
|---|
| 1 | Panel, Side (2) (Almond) |
| 1 | Panel, Side (2) (White) |
| 2 | Frame, Front |
| 3 | Rail, Base (2) |
| 4 | Base, Front |
| 4 | Screw, 10-12 X 1/2 (4) |
| 5 | Support, Main (2) |
| 5 | Screw, 10-32 X 1/2 (1) |
| 6 | Support, Rear (2) |
| 8 | Flue, Box |
| 8 | SCREW |
| 9 | Panel, Rear |
| 10 | Burner Box |
| 10 | WP308685 Whirlpool Microwave Screw |
| 12 | Screw, 10-24 X 3/8 (2) |
| 12 | Hinge, Door (2) |
| 13 | Seal, Door (2) |
| 20 | Shield, Insulation |
| 21 | Leg, Leveler (4) |
| 22 | Nut (4) |
| 23 | Extension Burner Box |
| 25 | Stud Screw (2) |
| 25 | Locator stud (2) |
| 26 | Cover, Wire |
| 31 | Anti Tip Kit |
| 32 | Anchor (2) |
| 33 | Bracket |
| 34 | Screw |