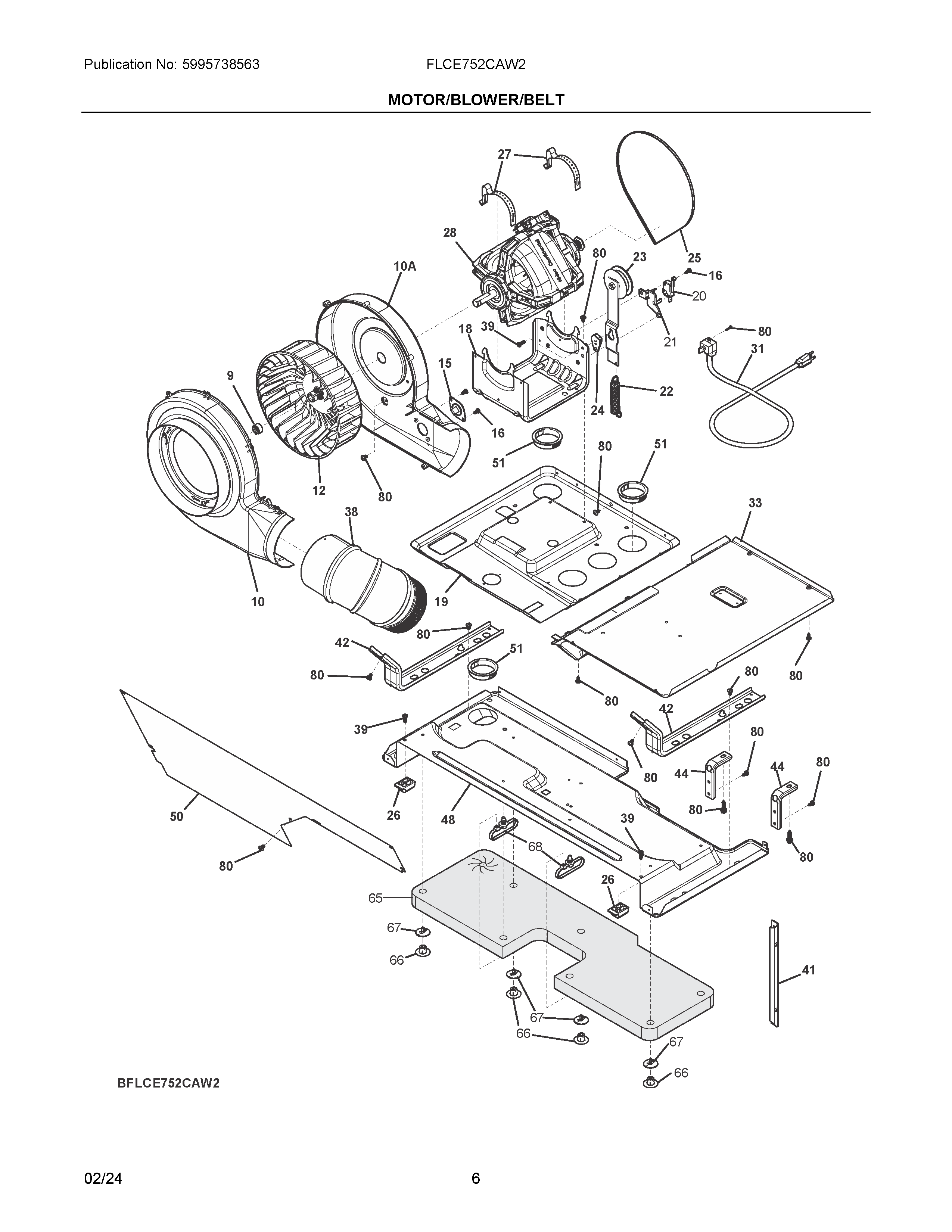
FLCE752CAW2 03 – MOTOR/BLOWER/BELTadmin2025-04-26T08:38:45+00:00FLCE752CAW2 03 – MOTOR/BLOWER/BELT ProductsPositionProductNI134154100 Frigidaire Screw 10-32 x 0.375 CoNI134402900 Frigidaire ScrewNIA137212300 Frigidaire GasketNIA5304523159 Frigidaire Wiring HarnessNI5304523188 Frigidaire Screw95304488479 Frigidaire Washer Hose Clamp105304523176 Frigidaire Housing Assembly10A137551800 Frigidaire Housing12BLOWER WHEEL15134587700 Frigidaire Washer Control Thermistor16131243700 Frigidaire Screw18WCI 13136710119137490900 Frigidaire Pan205304521496 Frigidaire Limit Switch215304521495 Frigidaire Bracket223205241 Frigidaire Idler Spring235304526204 Frigidaire Idler Arm Assembly245304524456 Frigidaire Spacer25BELT-DRYER LC26137511300 Frigidaire Block27134242400 Frigidaire Washer Clamp Assembly28134196602 Frigidaire Washer Dryer Motor31WCI 137110200335304515828 Frigidaire Baffle385304521383 Frigidaire Elbow39131205100 Frigidaire Screw41131091300 Frigidaire Bracket42137304710 Frigidaire Bracket443204326 Frigidaire Bracket Assembly48PAN, BOTTOM LC DRYER505304488478 Frigidaire Cover51131453000 Frigidaire Bushing655304524477 Frigidaire Sound Insulator66WCI 530452448367WCI 5304524484685304524498 Frigidaire Zip Tie80131168200 Frigidaire Dryer Screw