| NI | 316021104 Frigidaire Oven Screw Assembly |
| NI | 316215600 Frigidaire Oven Screw |
| NI | 5303271648 Frigidaire Oven Screw |
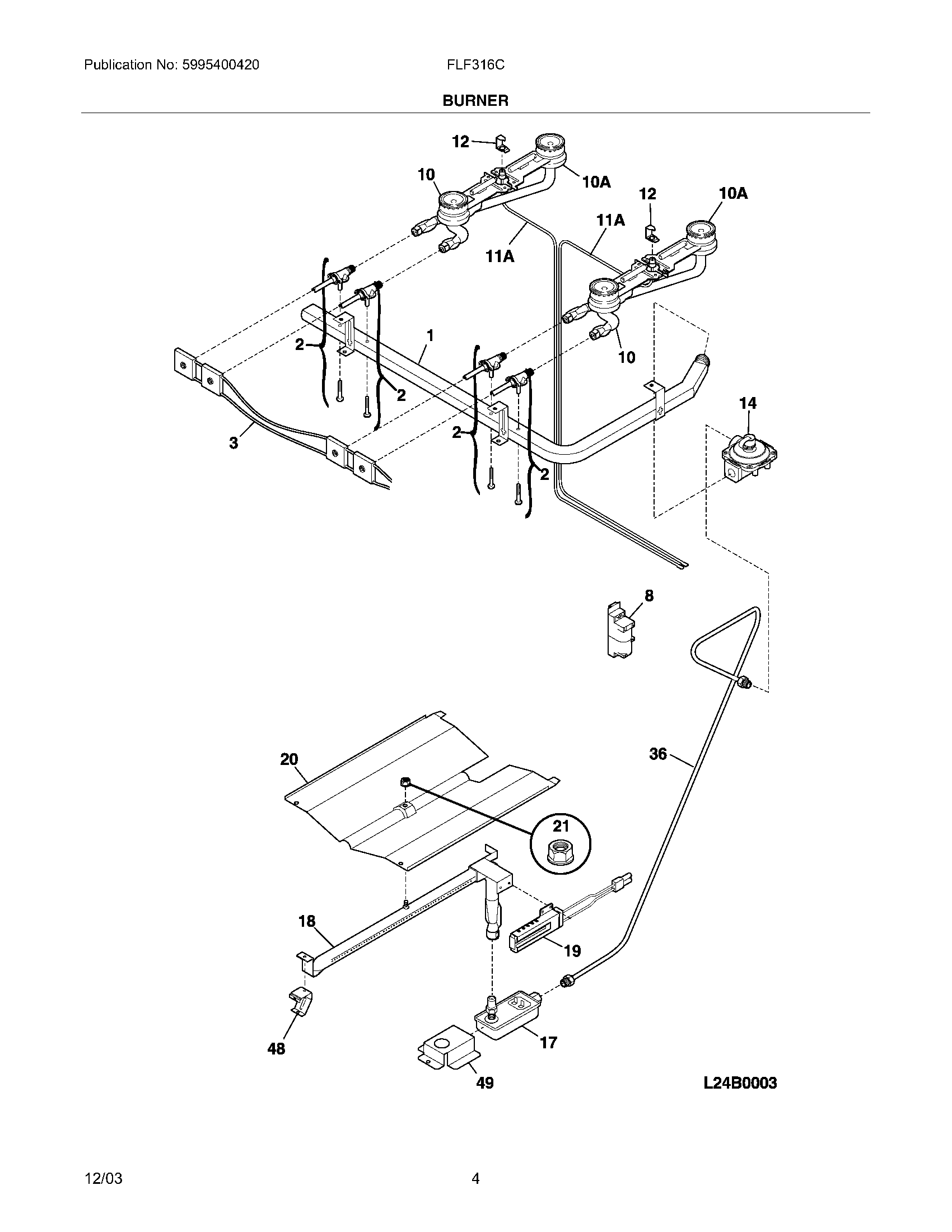
| 1 | WCI 316269100 |
| 2 | WCI 5303935242 |
| 3 | WCI 316001830 |
| 8 | 5304518635 Frigidaire Oven Module |
| 10 | 5304506427 Frigidaire Oven Range Surface Burner (White) |
| 10A | 5304506426 Frigidaire Oven Top Rear Burner |
| 11A | 316081705 Frigidaire Igniter Assembly |
| 12 | 3016993 Frigidaire Oven Retainer |
| 14 | WCI 316091704 |
| 17 | 3203459 Frigidaire Oven Range Dual Gas Safety Valve |
| 18 | 316114300 Frigidaire Oven Burner |
| 19 | 5303935066 Frigidaire Oven Flat Igniter 17" Leads |
| 20 | WCI 3203265 |
| 21 | 5303013272 Frigidaire Oven Nut |
| 36 | WCI 316065004 |
| 48 | WCI 3018603 |
| 49 | BRKT.-VALVE |