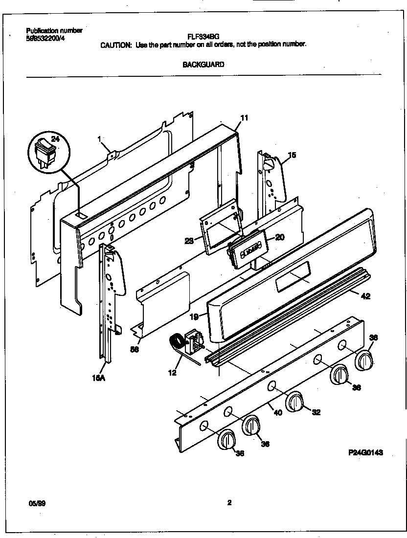
FLF334BGDE 02 – BACKGUARDadmin2025-04-26T08:38:43+00:00FLF334BGDE 02 – BACKGUARD
Products
| Position | Product |
|---|
| *69806 | WCI 316098007 |
| *69803 | 316021109 Frigidaire Oven Screw |
| *69802 | Screw,cup pt ,8-18 x 0.375 ,chrome |
| *69804 | 316112500 Frigidaire Oven Template |
| *69801 | WCI 316081303 |
| 1 | SHIELD-BACKGUARD, REAR WALL |
| 11 | Trim-wrapper,black ,textured,w/hole |
| 11 | Trim-wrapper,black ,textured |
| 12 | 316032411 Frigidaire Stove Temperature Control Thermostat |
| 15 | WCI 316023108 |
| 15 | WCI 316023109 |
| 19 | WCI 316100531 |
| 20 | WCI 316120500 |
| 23 | WCI 316033204 |
| 24 | 5304527841 Frigidaire Oven Rocker Switch (Black) |
| 32 | WCI 316109506 |
| 36 | KNOB-TOP VALVE,BLACK |
| 40 | WCI 316086831 |
| 42 | WCI 316055200 |
| 56 | WCI 316074907 |