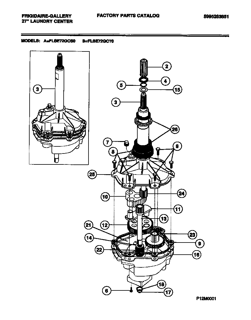
FLSE72GCS0 07 – TRANSMISSION