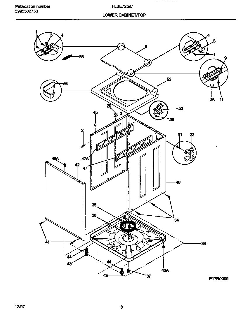
FLSE72GCS7 05 – LOWER CABINET/TOP