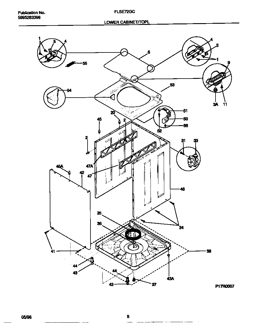
FLSE72GCT2 05 – LOWER CABINET/TOP