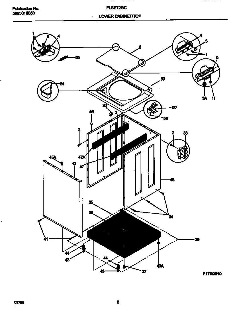
FLSE72GCT9 05 – WASHER CABINETadmin2025-04-26T08:38:39+00:00FLSE72GCT9 05 – WASHER CABINET ProductsPositionProduct*637635303309503 Frigidaire Clip*63762131453000 Frigidaire Bushing1134203900 Frigidaire Scr 6-32X.337 Pph D2131168200 Frigidaire Dryer Screw3134075500 Frigidaire Bumper-LID45304489657 Frigidaire Bar Hinge Kit55303208743 Frigidaire Grommet6WCI 53032128739131390000 Frigidaire Door Catch-Strike113204368 Frigidaire Screw-Strike203204374 Frigidaire Pin33134190200 Frigidaire Washer Water Valve34131205500 Frigidaire Screw35SNUBBER RING36SHIPPING BLOCK37WCI 13165890038WCI 530331121341131302800 Frigidaire Drum Vane Screw42WCI 13110430543WCI 13142210043131422200 Frigidaire P-1 Self Level Leg Pad44134548800 Frigidaire Washer Leg Levelling45131346401 Frigidaire Pin45WCI 13134640046WCI 13159350247MARRIAGE BRACKET-RH47MARRIAGE BRACKET-LH50WCI 13167560053WCI 13145252054WCI 320439455134890500 Frigidaire Spring56131243700 Frigidaire Screw