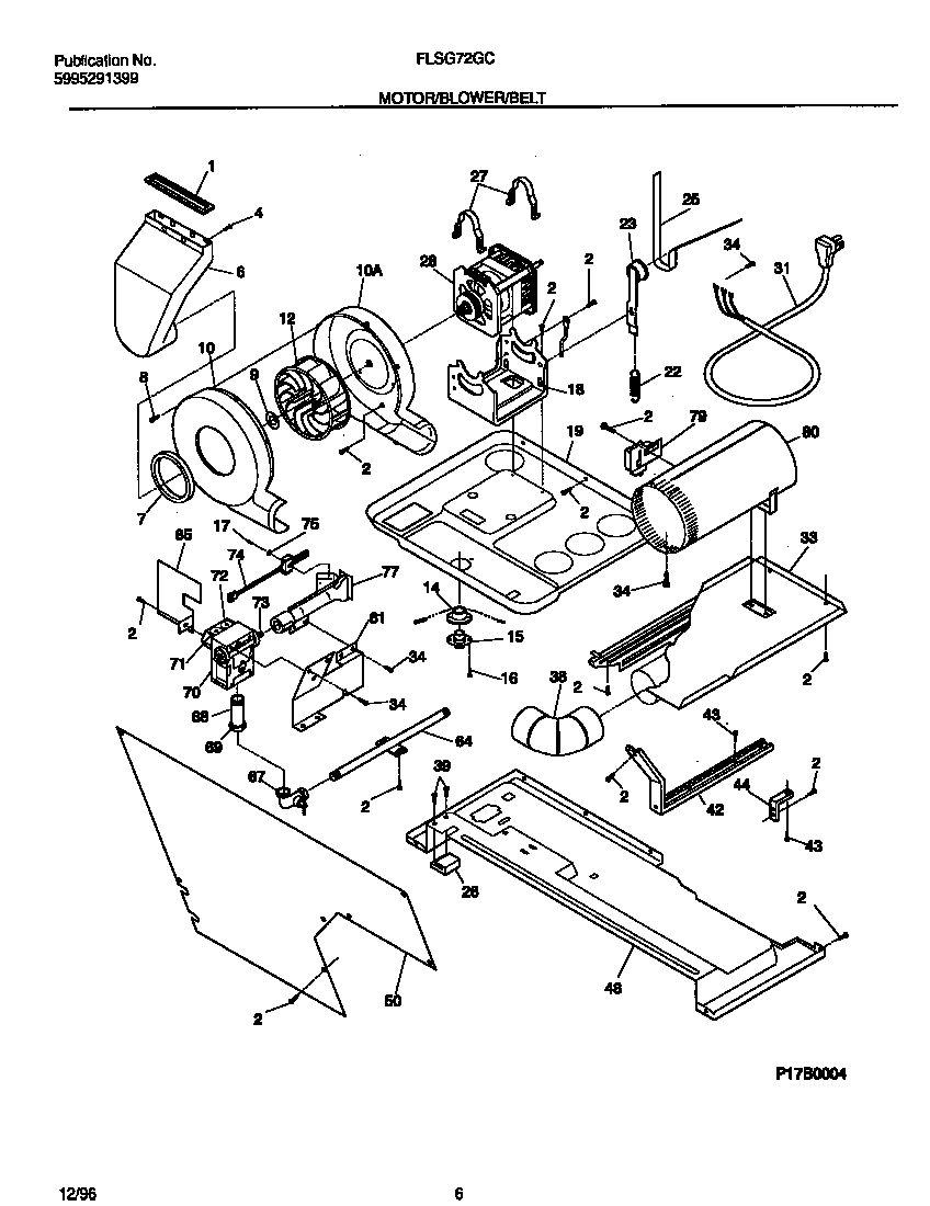
FLSG72GCS4 04 – MOTOR/BLOWER/BELTadmin2025-04-26T08:37:00+00:00FLSG72GCS4 04 – MOTOR/BLOWER/BELT ProductsPositionProduct*60281PCK3100 Frigidaire Conversion Kit*60282WCI 5303937054*6028308015112 Frigidaire CAP*60280131453000 Frigidaire Bushing1131295200 Frigidaire Seal2131168200 Frigidaire Dryer Screw4131362400 Frigidaire Fastener65304521121 Frigidaire Duct73204490 Frigidaire Seal8SCREW (6)95304488479 Frigidaire Washer Hose Clamp10WCI 131575200105304485558 Frigidaire Blower Housing Assembly, Front & Rear12BLOWER WHEEL14WCI 530320740015WCI 13132260016134178901 Frigidaire Screw17131420300 Frigidaire Screw18WCI 13136710119WCI 131363901223205241 Frigidaire Idler Spring23IDLER ARM ASSY25BELT-DRYER LC26BLOCK-SUPPORT27WCI 131419800285303937189 Frigidaire Drive Motor with Blower Housing31WCI 530320740233SHIELD-ACCESS34131243700 Frigidaire Screw38ELBOW39131205100 Frigidaire Screw42BRACKET (2)43SCREW (2)443204326 Frigidaire Bracket Assembly48137455500 Frigidaire Lower Pan Assembly50SAFETY COVER61BRACKET-VALVE64WCI 530320740567VALVE-SHUT OFF68TAIL PIECE69NUT-HEX UNION70DRYER GAS VALVE715303931775 Frigidaire Dryer Coil Kit735303207410 Frigidaire Orifice745303937186 Frigidaire Dryer Flat Igniter Assembly755300809968 Frigidaire Dishwasher P-1 Washer77WCI 5303207412795303281135 Frigidaire Gas Dryer Flame Sensor Radiant80131712405 Frigidaire Tube85WCI 5303212889