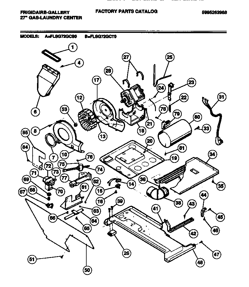
FLSG72GCT0 03 – DRYER MOTOR, BASE, IGNITORadmin2025-04-26T08:37:09+00:00FLSG72GCT0 03 – DRYER MOTOR, BASE, IGNITOR ProductsPositionProduct*46600PCK3100 Frigidaire Conversion Kit*46601WCI 5303937054*46602WCI 53032721641131295200 Frigidaire Seal4131362400 Frigidaire Fastener65304521121 Frigidaire Duct73204490 Frigidaire Seal8SCREW (6)105304485558 Frigidaire Blower Housing Assembly, Front & Rear12BLOWER WHEEL14WCI 530320740015WCI 13132260016134178901 Frigidaire Screw17WCI 530327117918CRADLE & STUD19WCI 3204311223205241 Frigidaire Idler Spring23IDLER ARM25BELT-DRYER LC26BLOCK-SUPPORT27WCI 530321283428WCI 530328328831WCI 530320740234SHIELD-ACCESS38ELBOW39131205100 Frigidaire Screw42BRACKET (2)443204326 Frigidaire Bracket Assembly46SCREW (2)48137455500 Frigidaire Lower Pan Assembly50SAFETY COVER535304488479 Frigidaire Washer Hose Clamp61BRACKET-VALVE63131243800 Frigidaire Screw64WCI 530320740567VALVE-ANGLE68TAIL PIECE69NUT-HEX UNION70DRYER GAS VALVE715303931775 Frigidaire Dryer Coil Kit735303207410 Frigidaire Orifice745303937186 Frigidaire Dryer Flat Igniter Assembly755300809968 Frigidaire Dishwasher P-1 Washer76131420300 Frigidaire Screw77WCI 5303207412795303281135 Frigidaire Gas Dryer Flame Sensor Radiant80131712405 Frigidaire Tube81131243700 Frigidaire Screw84131168200 Frigidaire Dryer Screw85WCI 5303212889