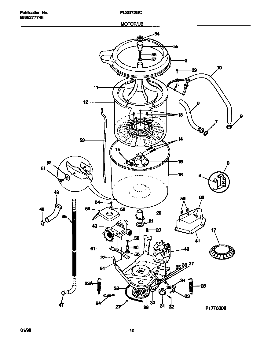
FLSG72GCT2 06 – MOTOR/TUBadmin2025-04-26T08:37:00+00:00FLSG72GCT2 06 – MOTOR/TUB ProductsPositionProduct*53492INSERT-SPRING ADJ3131551103 Frigidaire Splash Tub Cover P1 O/S14131212301 Frigidaire Washer Capacitor Motor65303912532 Frigidaire Hose Inlet 60"75303161296 Frigidaire Washer-Inlet Hose (1Piece)8WCI 530316125295304488479 Frigidaire Washer Hose Clamp10NOZZLE & HOSE ASSY11WCI 13142720012WCI 13122130013137546400 Frigidaire Screw 5/165-18 X .62514137539500 Frigidaire Washer Trunnion Lock Plate Bolt15137107000 Frigidaire Plate16131545101 Frigidaire Dryer Washer Transmission Trunnion Nut17WCI 13121990018WCI 131444900203205150 Frigidaire Tub Bearing Screw215308002401 Frigidaire Washer Primary22WCI 13137361023134886600 Frigidaire Spring Primary23134885900 Frigidaire Spring24WCI 131373900263204405 Frigidaire Outer Tub Spin Bearing275303270023 Frigidaire Screw Set28WASHER BELT29WCI 13136180030WCI 320442231WCI 320442332WCI 320442433TORSION SPRING34WCI 3204426353161433 Frigidaire Retainer36WASHER37SPRING WASHER38HEX NUT39131205100 Frigidaire Screw40WCI 13146050041WCI 13148630243WCI 13126840145131461200 Frigidaire Washer Drain Hose47131306234 Frigidaire Clamp Pump49WCI 13143450050WCI 13126860051WCI 320445952WCI 131315800535304401845 Frigidaire Tube Pressure54WCI 13126680055WCI 13120610056Screw,agitator mtg ,5/16-18 x 1.25057131339600 Frigidaire P1-Spacer-DISP58WCI 13146490059WCI 530328305260WCI 13126870061WCI 13126850062131420300 Frigidaire Screw63WCI 131494300645303283072 Frigidaire Shield Screw