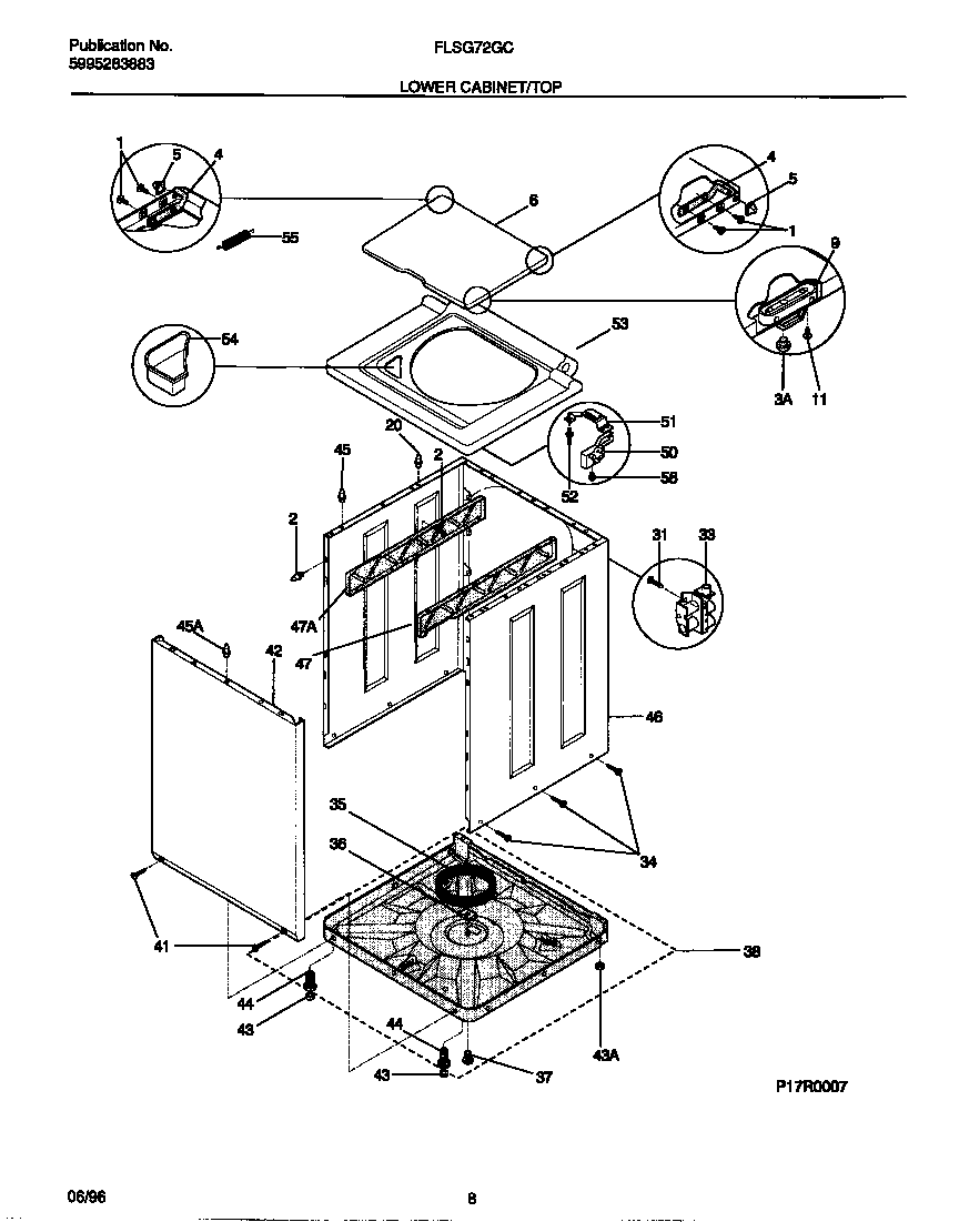
FLSG72GCT3 05 – LOWER CABINET/TOP