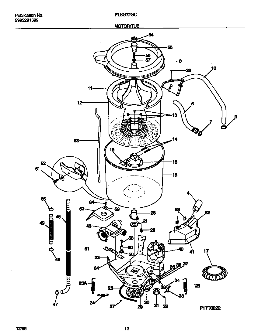
FLSG72GCT4 07 – MOTOR/TUB

FLSG72GCT4 07 – MOTOR/TUB