FLSG72GCT7 06 – MOTOR/TUB

FLSG72GCT7 06 – MOTOR/TUB

Products

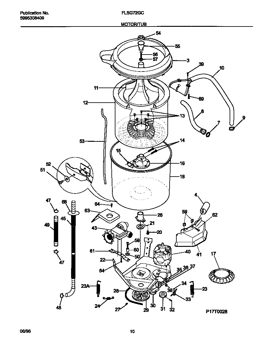
PositionProduct
*03526INSERT-SPRING ADJ
3131551103 Frigidaire Splash Tub Cover P1 O/S1
4131212301 Frigidaire Washer Capacitor Motor
65303912532 Frigidaire Hose Inlet 60"
75303161296 Frigidaire Washer-Inlet Hose (1Piece)
95304488479 Frigidaire Washer Hose Clamp
10NOZZLE & HOSE ASSY
11WCI 131427200
12WCI 131221300
13137546400 Frigidaire Screw 5/165-18 X .625
14137539500 Frigidaire Washer Trunnion Lock Plate Bolt
15137107000 Frigidaire Plate
16131545101 Frigidaire Dryer Washer Transmission Trunnion Nut
17WCI 131219900
18TUB-SPLASH, W/AIR DOME, BRNG
203205150 Frigidaire Tub Bearing Screw
215308002401 Frigidaire Washer Primary
22WCI 131373610
23134886600 Frigidaire Spring Primary
23134885900 Frigidaire Spring
24WCI 131373900
263204405 Frigidaire Outer Tub Spin Bearing
275303270023 Frigidaire Screw Set
28WASHER BELT
29WCI 131498300
30WCI 3204422
31WCI 3204423
32WCI 3204424
33TORSION SPRING
34WCI 3204426
353161433 Frigidaire Retainer
36WASHER
37SPRING WASHER
38WCI 5303318708
39131205100 Frigidaire Screw
40134159500 Frigidaire Washer Main Drive Motor
41131513300 Frigidaire Shield
43WCI 131630700
45131461200 Frigidaire Washer Drain Hose
47131306234 Frigidaire Clamp Pump
49131494800 Frigidaire Hose-Pump P1 to Tub
50WCI 131268600
51WCI 131659000
52WCI 131315800
535304401845 Frigidaire Tube Pressure
54WCI 131266800
55WCI 131206100
56Screw,agitator mtg ,5/16-18 x 1.250
57131339600 Frigidaire P1-Spacer-DISP
58WCI 131464900
59WCI 5303283052
60WCI 131268700
61WCI 131268500
62131302800 Frigidaire Drum Vane Screw
63WCI 131494300
645303283072 Frigidaire Shield Screw
68131707800 Frigidaire Drain Hose Ring
69131731500 Frigidaire Fastener