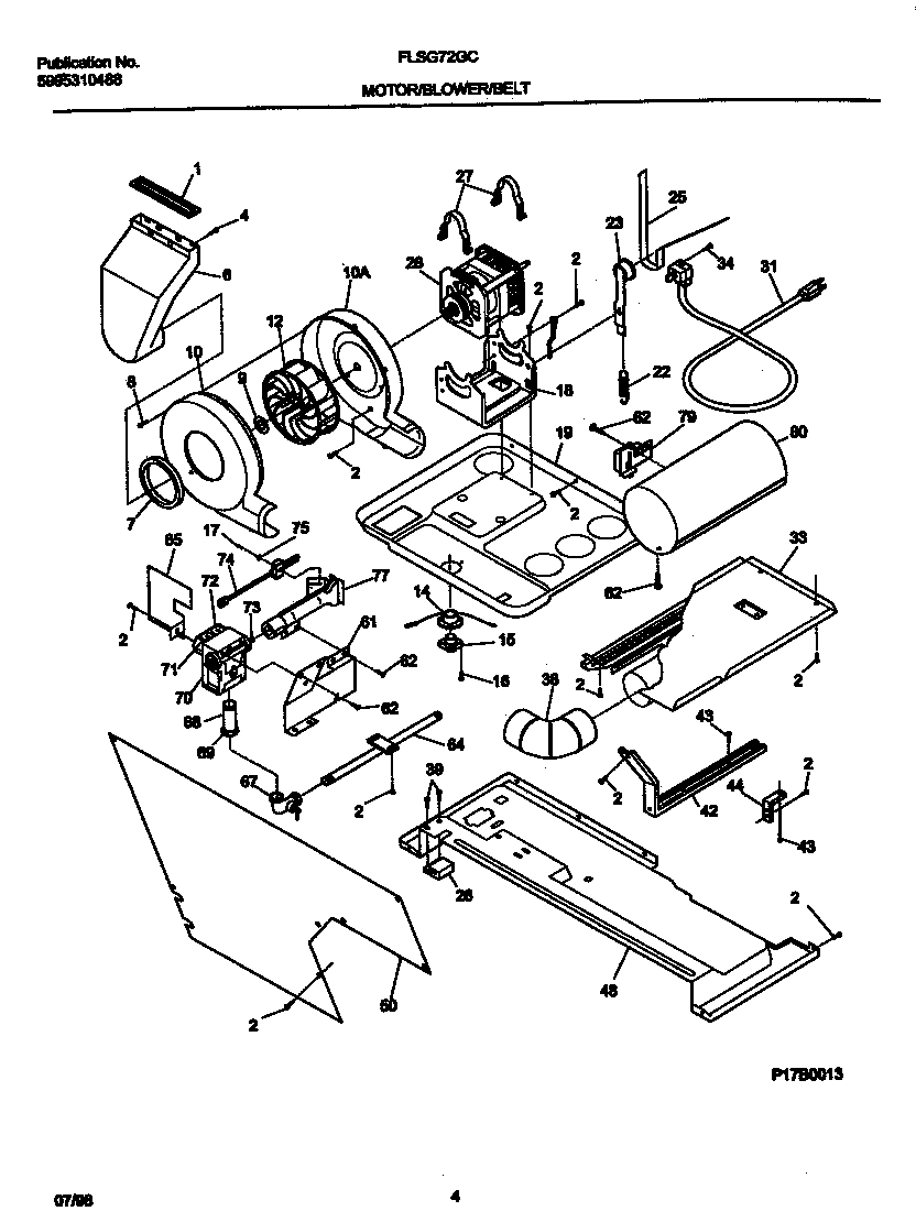
FLSG72GCT8 03 – DRYER MTRadmin2025-04-26T08:36:47+00:00FLSG72GCT8 03 – DRYER MTR ProductsPositionProduct*49080131453000 Frigidaire Bushing1131295200 Frigidaire Seal2131168200 Frigidaire Dryer Screw4131362400 Frigidaire Fastener65304521121 Frigidaire Duct73204490 Frigidaire Seal8SCREW (6)95304488479 Frigidaire Washer Hose Clamp10WCI 131575200105304485558 Frigidaire Blower Housing Assembly, Front & Rear12BLOWER WHEEL14WCI 13165810115WCI 13132260016134178901 Frigidaire Screw17131420300 Frigidaire Screw18CRADLE & STUD19WCI 131363901223205241 Frigidaire Idler Spring23IDLER ARM ASSY25BELT-DRYER LC26BLOCK-SUPPORT27WCI 13141980028WCI 13148860031134500500 Frigidaire Power Cord33SHIELD-ACCESS34134154100 Frigidaire Screw 10-32 x 0.375 Co38ELBOW39131205100 Frigidaire Screw42BRACKET (2)43SCREW 12-24 X .63 HEX HD443204326 Frigidaire Bracket Assembly48137455500 Frigidaire Lower Pan Assembly50SAFETY COVER61BRACKET-VALVE62131243700 Frigidaire Screw64WCI 530320740567VALVE-SHUT OFF68TAIL PIECE69NUT-HEX UNION70DRYER GAS VALVE715303931775 Frigidaire Dryer Coil Kit735303207410 Frigidaire Orifice745303937186 Frigidaire Dryer Flat Igniter Assembly755300809968 Frigidaire Dishwasher P-1 Washer77WCI 131637400795303281135 Frigidaire Gas Dryer Flame Sensor Radiant80131712405 Frigidaire Tube85WCI 5303212889