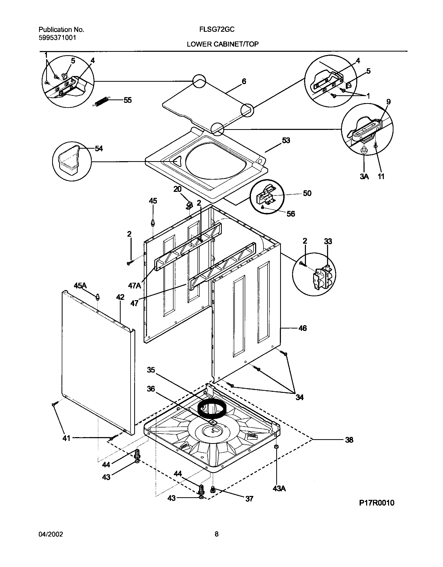
FLSG72GCTB 09 – WSHR CAB,TOPadmin2025-04-26T08:36:45+00:00FLSG72GCTB 09 – WSHR CAB,TOP ProductsPositionProductNI5303309503 Frigidaire ClipNI131453000 Frigidaire BushingNIINSERT-SPRING ADJ1134203900 Frigidaire Scr 6-32X.337 Pph D2131168200 Frigidaire Dryer Screw3A134075500 Frigidaire Bumper-LID45304489657 Frigidaire Bar Hinge Kit55303208743 Frigidaire Grommet6WCI 53032128739131390000 Frigidaire Door Catch-Strike113204368 Frigidaire Screw-Strike203204374 Frigidaire Pin33134190200 Frigidaire Washer Water Valve34131205500 Frigidaire Screw35SNUBBER RING36SHIPPING BLOCK37WCI 13165890038WCI 530331121341131302800 Frigidaire Drum Vane Screw42WCI 13110430543WCI 13142210043A131422200 Frigidaire P-1 Self Level Leg Pad44134548800 Frigidaire Washer Leg Levelling45A131346401 Frigidaire Pin45WCI 13134640046WCI 13404660247AMARRIAGE BRACKET-LH47MARRIAGE BRACKET-RH50Lid lock w/external sw53WCI 13145252054WCI 320439455134890500 Frigidaire Spring56131243700 Frigidaire Screw