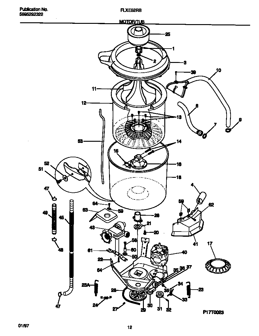
FLXE52RBT4 06 – MOTOR/TUBadmin2025-04-26T08:36:55+00:00FLXE52RBT4 06 – MOTOR/TUB ProductsPositionProduct*26444INSERT-SPRING ADJ13204395 Frigidaire Agitator Cap2WCI 32043963131398303 Frigidaire Tub Ring4131212301 Frigidaire Washer Capacitor Motor65303912532 Frigidaire Hose Inlet 60"75303161296 Frigidaire Washer-Inlet Hose (1Piece)95304488479 Frigidaire Washer Hose Clamp10NOZZLE & HOSE ASSY11WCI 320440112TUB-SPIN, AND TRUNNION13137546400 Frigidaire Screw 5/165-18 X .62514137539500 Frigidaire Washer Trunnion Lock Plate Bolt15137107000 Frigidaire Plate16131545101 Frigidaire Dryer Washer Transmission Trunnion Nut17WCI 13107660018TUB-SPLASH, W/AIR DOME, BRNG203205150 Frigidaire Tub Bearing Screw215308002401 Frigidaire Washer Primary22WCI 13137361023134885900 Frigidaire Spring23134886600 Frigidaire Spring Primary24WCI 13137390025DISPENSER263204405 Frigidaire Outer Tub Spin Bearing275303270023 Frigidaire Screw Set28WASHER BELT29WCI 13149830030WCI 320442231WCI 320442332WCI 320442433TORSION SPRING34WCI 3204426353161433 Frigidaire Retainer36WASHER37SPRING WASHER38WCI 530331870839131205100 Frigidaire Screw40WCI 13156240041131513300 Frigidaire Shield43WCI 13126840145BWCI 13150650045A131461200 Frigidaire Washer Drain Hose47131306234 Frigidaire Clamp Pump49131494800 Frigidaire Hose-Pump P1 to Tub50WCI 13126860051WCI 320445952WCI 131315800535304401845 Frigidaire Tube Pressure58WCI 13146490059WCI 530328305260WCI 13126870061WCI 13126850062131420300 Frigidaire Screw63WCI 131494300645303283072 Frigidaire Shield Screw