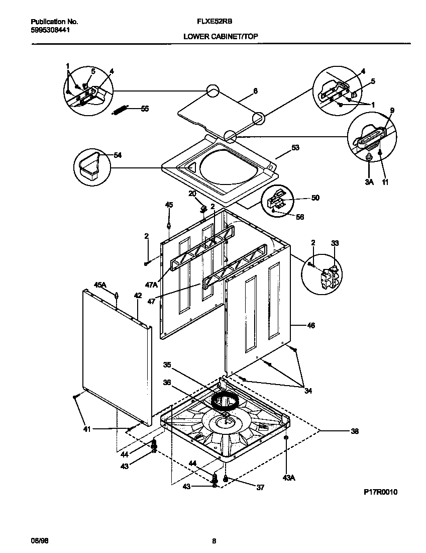
FLXE52RBT7 05 – LOWER CABINET/TOP