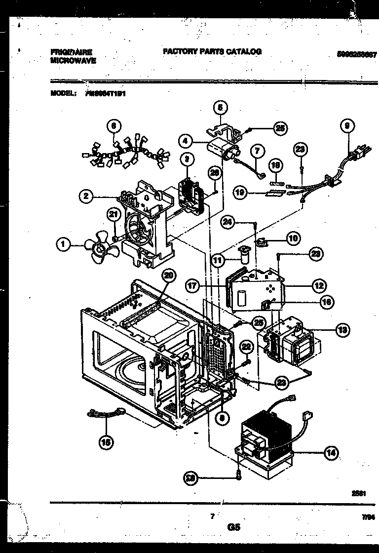
FMS084T1B1 06 – POWER CONTROL