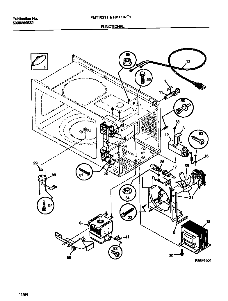
FMT103T1W1 04 – FUNCTIONALadmin2025-04-26T08:37:00+00:00FMT103T1W1 04 – FUNCTIONAL ProductsPositionProduct*81201WCI 317000508*81202WCI 3170003361FUSE-20 AMP2PLUG-BUTTON3WCI 53030137715SEAL-FOAM CUT TO SIZE8WCI 53032036369WCI 530320678111WCI 530321276912WCI 31701870213WCI 31700540114WCI 31700070316WCI 530321279917WCI 31701800118WCI 31701690121WCI 530392205322WCI 31700470326WCI 530327217227SCREW-TURNTABLE MTR, 6-32 X 3/429WCI 31700810230WCI 31700550332SCREW - TRANS (4) (NON-ILLUSTRATED)41WCI 39405710052WCI 31700512155WCI 530321278656WCI 530327158159WCI 31701880162WCI 31700512081WCI 39612280082SCREW-THERMAL CUTOUT, PH PAN TAPTITE, 6-32 X 1/283WCI 530327326384Nut85WCI 5308008918