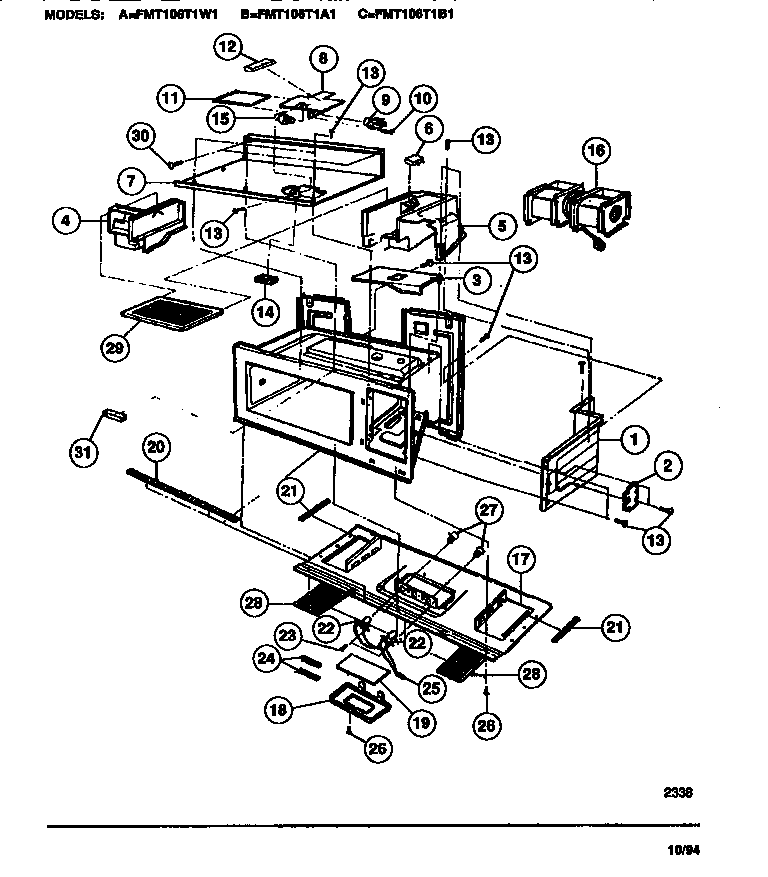
FMT106T1A1 04 – FUNCTIONALadmin2025-04-26T08:36:58+00:00FMT106T1A1 04 – FUNCTIONAL ProductsPositionProduct1WCI 53032841662WCI 53032841673WCI 53032841684WCI 53032841695WCI 53032841706WCI 53032841717WCI 53032841728WCI 530330698611WCI 530328416513SCREW TRUSS HEAD(16)14WCI 530328417515WCI 530328417616WCI 530328417717WCI 530330698918WCI 530330152519WCI 530328418220WCI 530328418321WCI 530321082722WCI 530321077623SCREW-SPECIAL(2)24WCI 530321079525WCI 530328418526TAPPING SCREW27WCI 530321077828WCI 530328402229WCI 530328418630SCREW-TRUSS HEAD TP(2)31WCI 5303210717