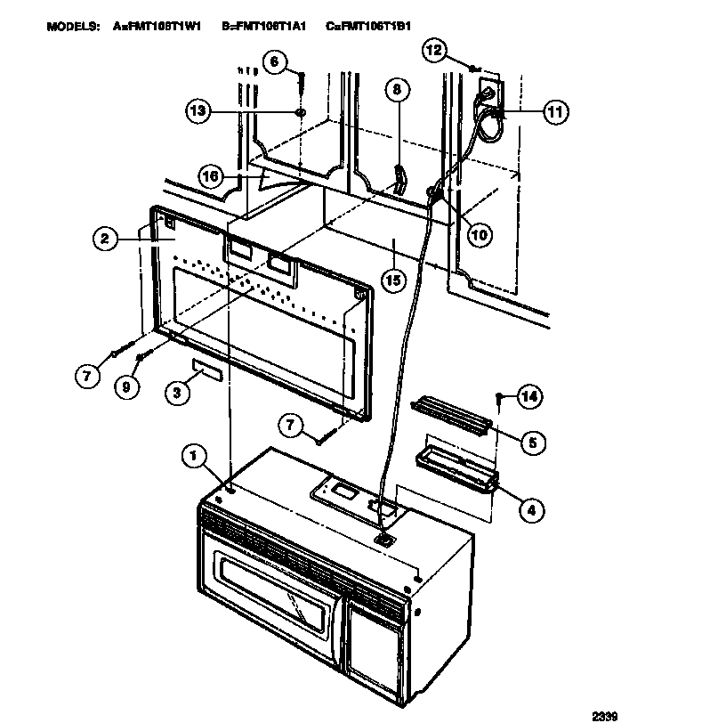
FMT106T1B1 02 – INSTALLATIONadmin2025-04-26T08:36:34+00:00FMT106T1B1 02 – INSTALLATION ProductsPositionProduct1WCI 53032107562WCI 53032841483WCI 53032841494WCI 53032841505WCI 53032107456WCI 53032107387WCI 53032107468WCI 53032107509WCI 530321074710WCI 530328415111WCI 530328415212WCI 530328415313WCI 530321073714TAPPING SCREW15WCI 530328415416WCI 5303284155