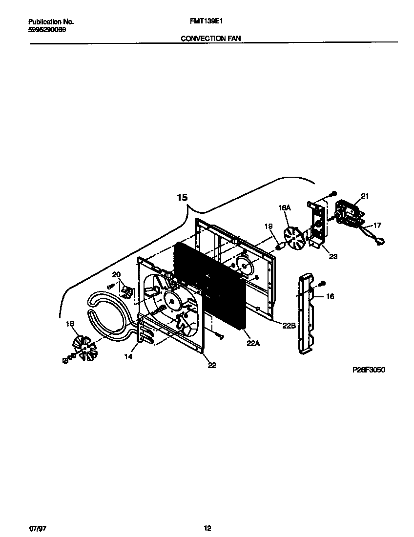
FMT139E1A0 07 – CONVECTION FANadmin2025-04-26T08:36:49+00:00FMT139E1A0 07 – CONVECTION FAN ProductsPositionProduct14WCI 530332176415WCI 530332175216WCI 530332175317WCI 530332175818C5300809968 Frigidaire Dishwasher P-1 Washer18WCI 530332176918AWCI 530332176218BWCI 530332177218DWCI 530332177519WCI 530332176320WCI 530332176521WCI 530332136122WCI 530332176722WCI 530332176822AWCI 530332176622BWCI 530332177123AWCI 530332177023BWCI 5303321773