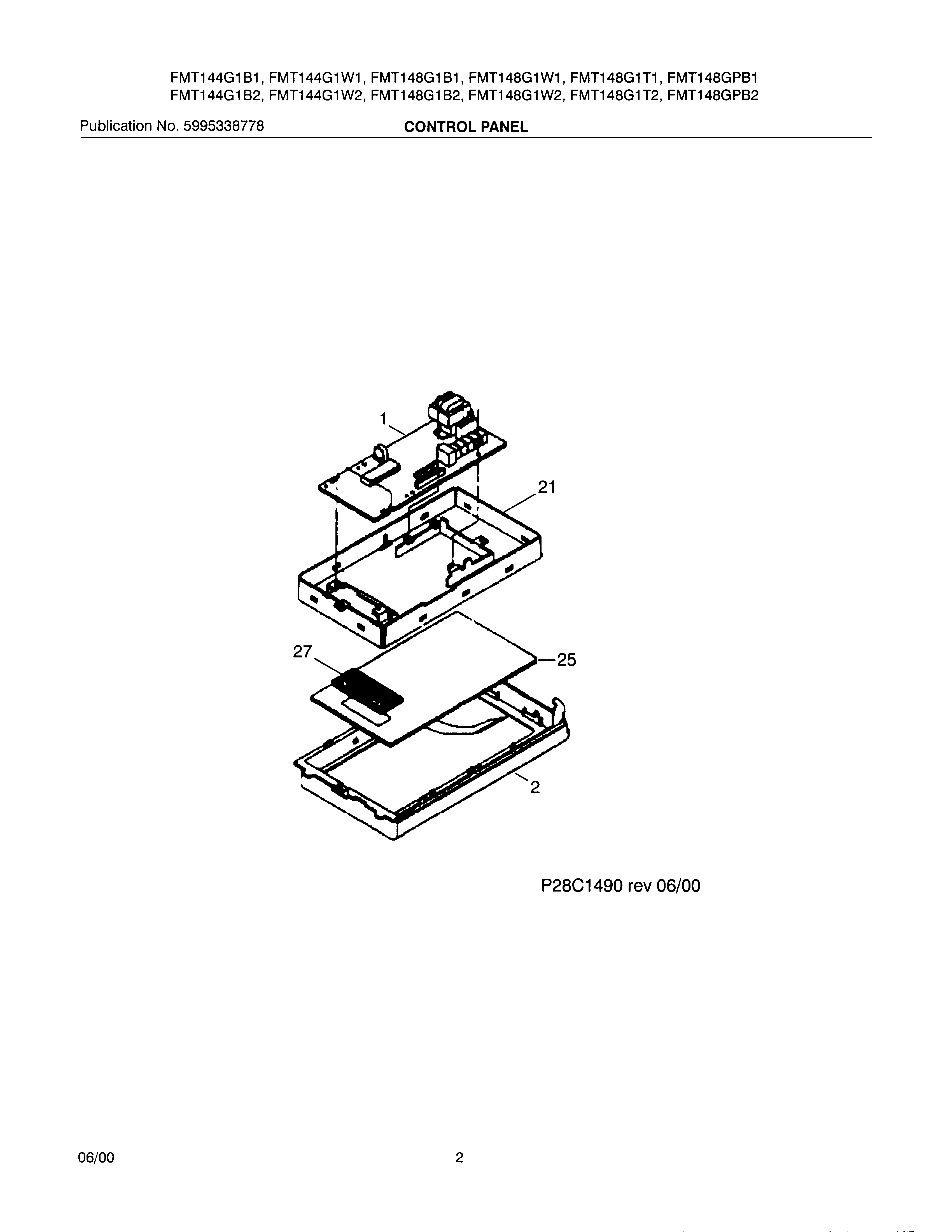
FMT144G1B1 03 – CONTROL PANEL