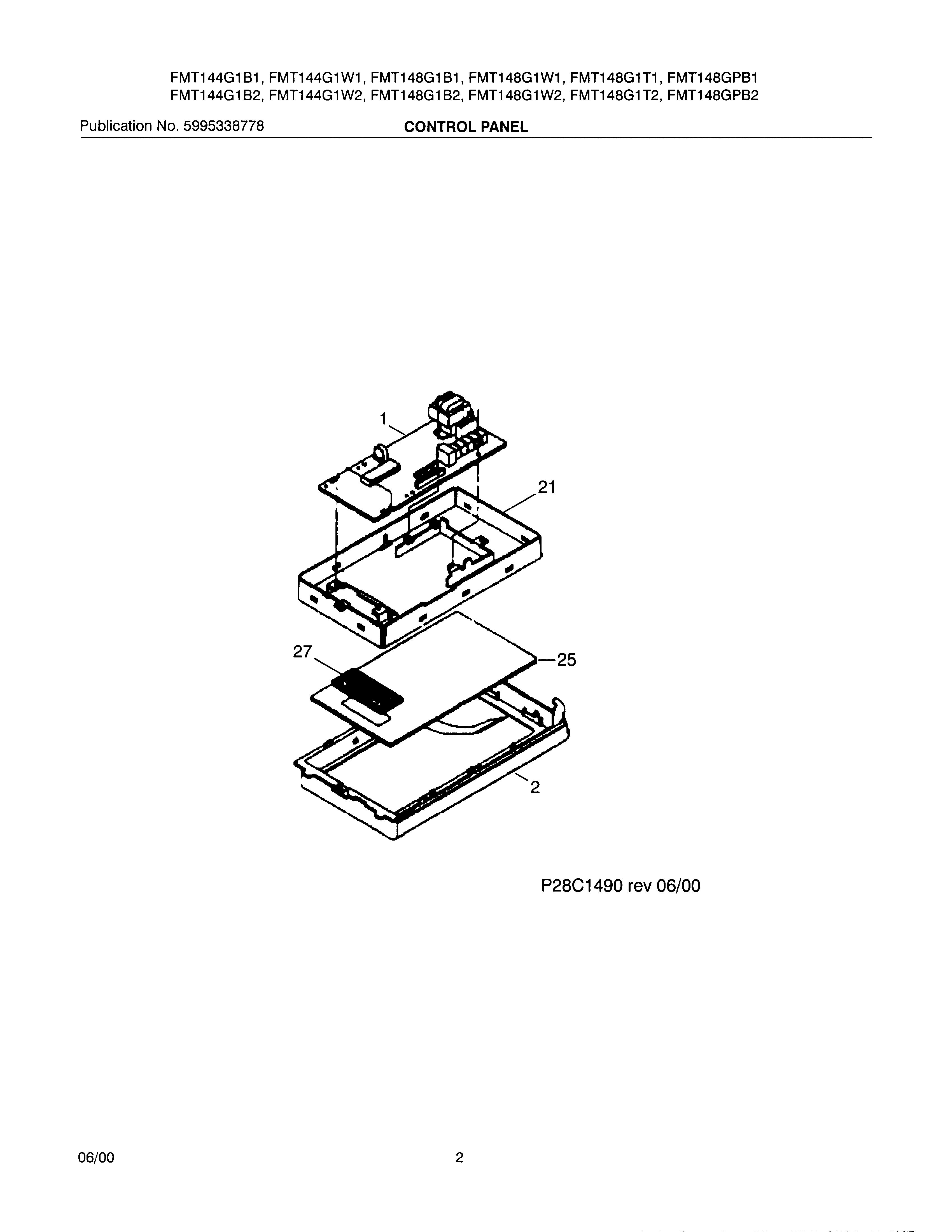
FMT144G1B2 03 – CONTROL PANEL