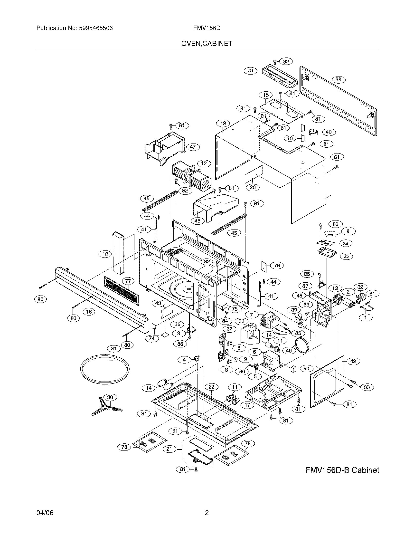
FMV156DQB 03 – OVEN/CABINETadmin2025-04-26T08:36:49+00:00FMV156DQB 03 – OVEN/CABINET ProductsPositionProduct1WCI 53044418442WCI 530444034235304440021 Frigidaire Microwave Oven Turntable Drive Motor4WCI 530444003255304440023 Frigidaire Microwave Thermal Cutout6WCI 53044418457WCI 530444184685304493153 Frigidaire Microwave Door Switch95303319559 Frigidaire Microwave Fuse and Switch Kit105304440028 Frigidaire Microwave Power Cord115303319561 Frigidaire Microwave Lamp Socket12WCI 530444184713WCI 5304441848145304440031 Frigidaire Microwave 20W 125V Medium Light Bulb15WCI 530444184916WCI 530444185117WCI 530444185318Panel,front trim ,bisque ,LS19Cabinet,outer casing ,bisque20WCI 530445181421WCI 530331957322WCI 5304451817305304467717 Frigidaire Microwave Glass Tray Support31TRAY,TURNTABLE,GLASS32WCI 530444187333WCI 5304441874345304492543 Frigidaire Microwave Electronic Noise Filter35WCI 530332297536WCI 530444028837WCI 530444028938WCI 530444183339WCI 530444084340WCI 530331960541WCI 530444187542WCI 5304441876435304440845 Frigidaire Microwave Cover445304440316 Frigidaire Microwave Spring Assembly45WCI 530444187746WCI 530444187847WCI 530444187948WCI 530445181949WCI 530444188150WCI 530444188274WCI 5304441900755304440334 Frigidaire Microwave Label765304440333 Frigidaire Label77WCI 5304441901785303319568 Frigidaire Microwave Grease Filter Aluminum795304464343 Frigidaire Microwave Assembly Damper80Screw,vent grille ,bisque815304451553 Frigidaire Microwave Screw825304414648 Frigidaire Oven Screw835304450253 Frigidaire Microwave Screw845303319641 Frigidaire Screw85WCI 530331963686WCI 5303319633875303319550 Frigidaire Microwave Fuse