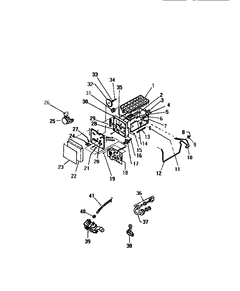
FMW240AN5D 08 – ICE MAKERadmin2025-04-26T08:37:00+00:00FMW240AN5D 08 – ICE MAKER ProductsPositionProduct*84806WCI G1744401ICE TRAY2WCI G1744793TRAY-PIVOT (NON-ILLUSTRATED)4WCI G1744355WCI G1744176NUT-PUSH7SPRING-TRAY8RETAINER RING9BEARING-GAUGE ARM10WIRE-SHUT OFF11B5304455650 Frigidaire Refrigerator Screw11WCI G17504111ASCREW, CHANNEL MOUNTING (3)12SENSING ARM13WCI G17513514WCI G17444215WCI G16972916WCI G17448517WCI G17449718PC BOARD20PLATE, MOUNTING21CLIP22WCI G177709-0422AWCI G18312223WCI G180789-0124CAM FOLLOWER24BGUIDE, ICE MAKER TO DIVIDER24AWCI G17083925MOTOR-ICE MAKER26SCREW, MOTOR TO PLATE (2)27NUT-HEX28WCI G17443229RACK, GEAR30HOUSING-ICE MAKER31WCI G17449232WCI G17448433WASHER-CRANK SHAFT34WCI G17444435RETAINER, INSULATOR36WCI G15816337WCI G15941538WCI G9942839VALVE, WATER40NUT, INLET TO SOLENOID VALVE415308010366 Frigidaire Refrigerator P1-Water Inlet Tube