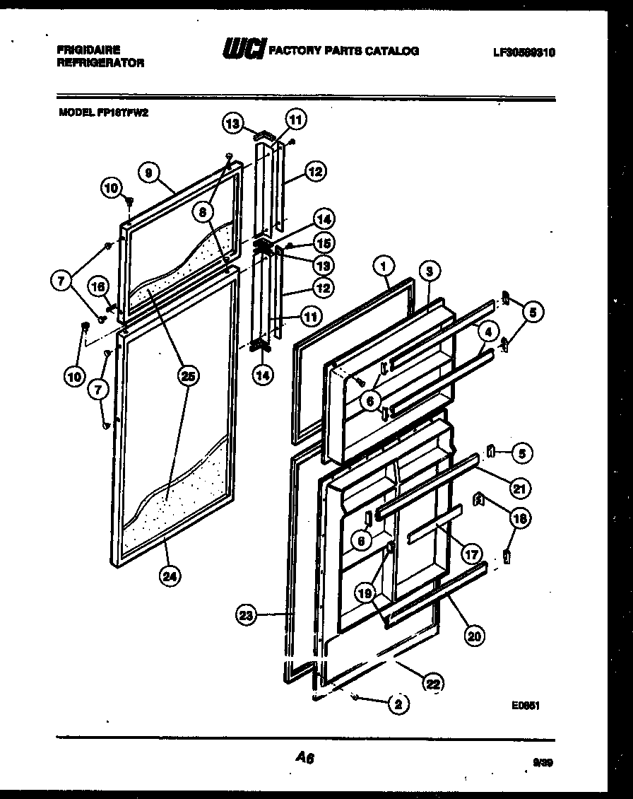
FP18TFL2 02 – DOOR PARTS