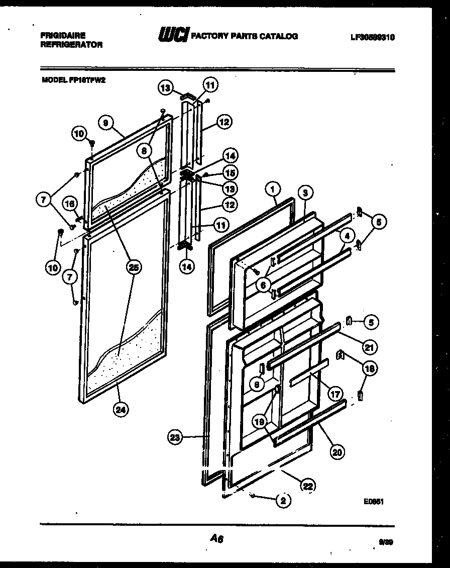
FP18TFW2 02 – DOOR PARTS