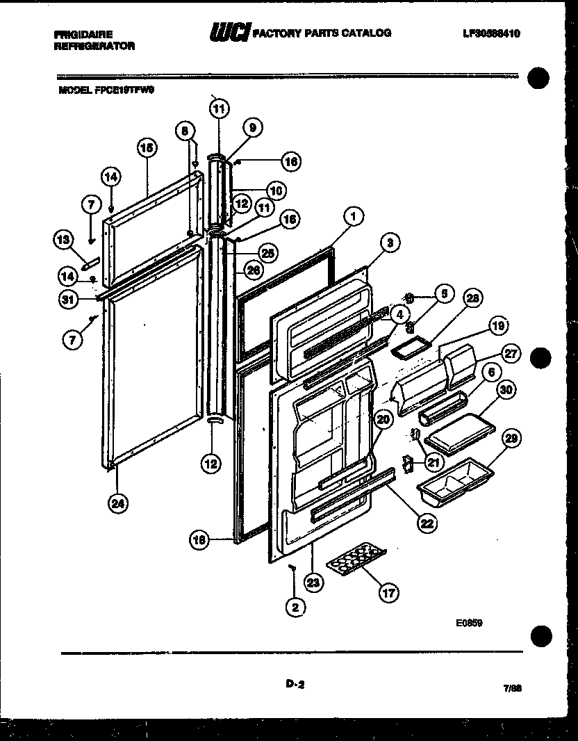
FPCE19TFA0 02 – DOOR PARTS