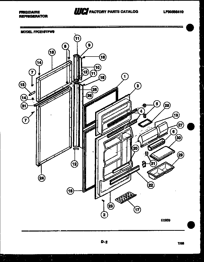
FPCE19TFL0 02 – DOOR PARTSadmin2025-04-26T08:52:34+00:00FPCE19TFL0 02 – DOOR PARTS ProductsPositionProduct*15954WCI 8000255*15954SNUGGER FINGER (NON-ILLUSTRATED)1WCI 30171892SCREW-PANEL MOUNTING (56)3WCI 30189714WCI 30189725A5303323481 Frigidaire Refrigerator Left Hand Door Bar End Cap55303323480 Frigidaire Refrigerator Door Bar End Cap Rh6WCI 32004127PLUG-HANDLE, ALMOND8PLUG-HINGE, ALMOND9WCI 301719010WCI 801023211END CAP-TOP (2)12END CAP-BOTTOM (2)13WCI 301863214HINGE BEARING (8)15WCI 800993316SCREW-HANDLE MOUNTING (4)17WCI 800038918WCI 301823819WCI 301886821A5303325990 Frigidaire Refrigerator Door Bar End Cap215303325991 Frigidaire Refrigerator Door Bar Endcap22215516220 Frigidaire Refrigerator Door Rack23WCI 320031023AINSULATION-BULK24WCI 800993025WCI 801749726WCI 801023327DOOR-DAIRY285308000716 Frigidaire Refrigerator Dish29WCI 320041330WCI 320041431WCI 3200570