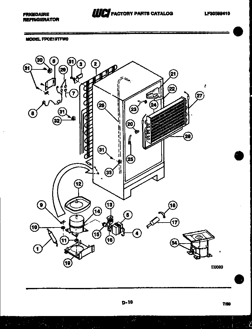
FPCE19TFL0 06 – SYSTEM AND AUTOMATIC DEFROST PARTSadmin2025-04-26T08:52:11+00:00FPCE19TFL0 06 – SYSTEM AND AUTOMATIC DEFROST PARTS ProductsPositionProduct*15964SOUND TAPE-PAN (NON-ILLUSTRATED)*15964WCI 996000115303305677 Frigidaire Replacement Filter Dryer Filters2WCI 80000943BRACKET-CONDENSER MOUNTING (4)4WCI 80001175WCI 80069826WCI 80136447WCI 80096288WCI 80000649CLIP (4)10WASHER (4)11WCI 800877812ALOCK NUT-PAN MOUNTING12DEFROST PAN-SERVICE COMPRESSOR13WCI 801722614WCI 895023315WCI 801757216CLIP-OVERLOAD17WCI 801723018WCI 801723119WCI 801366320WCI 801722721WCI 801364822WCI 801364623WCI 800007324WCI 800006225WCI 800011026WCI 800072827WCI 800006128INSULATION-EVAPORATOR29WCI 301890030WCI 800018731SCREW-TUBE MOUNTING (2)32CLAMP-CABLE (3)33WCI 800013334WCI 8950024