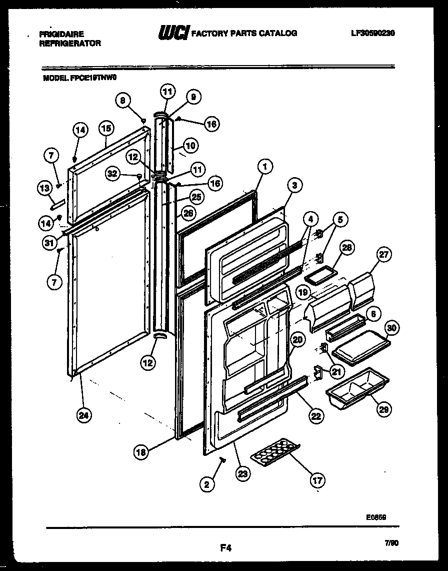
FPCE19TNA0 02 – DOOR PARTSadmin2025-04-26T08:52:14+00:00FPCE19TNA0 02 – DOOR PARTS ProductsPositionProduct*36806WCI 5308000255*36806WCI 5308011745*36806SNUGGER-FINGER (NON-ILLUSTRATED)1GASKET-FRZR DOOR, BROWN, MAGNETIC2218843801 Frigidaire Refrigerator Screw3WCI 30189714WCI 301897255303323480 Frigidaire Refrigerator Door Bar End Cap Rh5A5303323481 Frigidaire Refrigerator Left Hand Door Bar End Cap6WCI 53032004129HANDLE-COMPLETE11WCI 530801023912END CAP-BOTTOM (2)13WCI 320158114BEARING-HINGE16SCREW-HANDLE MTG, 8 CR TRUSS HD, 10(D) X 1/217215817806 Frigidaire Refrigerator Egg Tray18GASKET-REFR DOOR, BROWN, MAGNETIC19WCI 3018868215303325991 Frigidaire Refrigerator Door Bar Endcap21A5303325990 Frigidaire Refrigerator Door Bar End Cap22215516220 Frigidaire Refrigerator Door Rack23AINSULATION-BULK (NON-ILLUSTRATED)23WCI 320031025HANDLE-COMPLETE26WCI 530801022927DOOR-DAIRY285308000716 Frigidaire Refrigerator Dish29WCI 530320041330WCI 530320041431WCI 530800985732WCI 5308009601