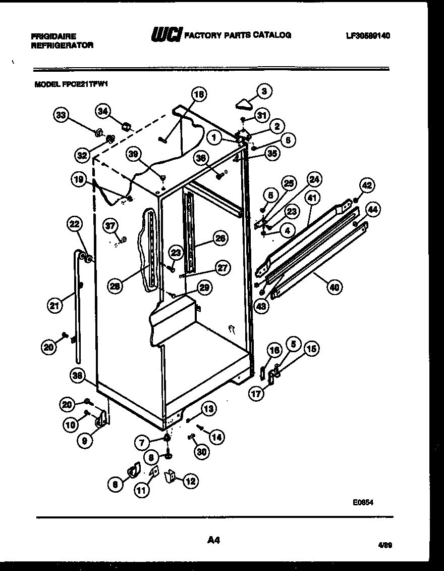
FPCE21TFA1 03 – CABINET PARTSadmin2025-04-26T08:52:24+00:00FPCE21TFA1 03 – CABINET PARTS ProductsPositionProduct1WCI 080128292WCI 080128433WCI 080129304WCI 080001005WCI 080000076WCI 080097607WCI 080035848WCI 080035839WCI 0800977310WCI 0800976211WCI 0800979012WCI 0801367813WCI 0801132614WCI 08009761155303001321 Frigidaire Refrigerator Lower Hinge Pin16SHIM17HINGE-BRACKET-BOTTOM18WCI 0800009719WCI 08016571205304455651 Frigidaire Refrigerator Screw21WCI 0801001222RING-SEAL23WCI 0801225824WCI 0800075725WCI 0800018426WCI 08000302275304455852 Frigidaire Refrigerator Screw28CHANNEL-CENTER (NON-ILLUSTRATED)29WCI 0801656830WCI 0800358531241710601 Frigidaire Refrigerator Screw32FERRULE33FERRULE34TUBE35CORNER TRIM-AVOCADO365304509705 Frigidaire Refrigerator Grommet375304500407 Frigidaire Refrigerator Shelf Mounting Grommet38WCI 0801009239WCI 0800712640MULLION-AVOC41WCI 0801000842SPACER (NON-ILLUSTRATED)43WCI 301891644WASHER-MULLION (4)