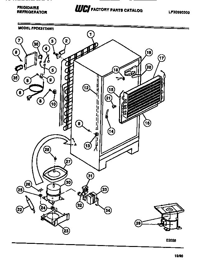
FPCE21TNL1 06 – COMPRESSOR, CONDENSER, EVAPORATOR