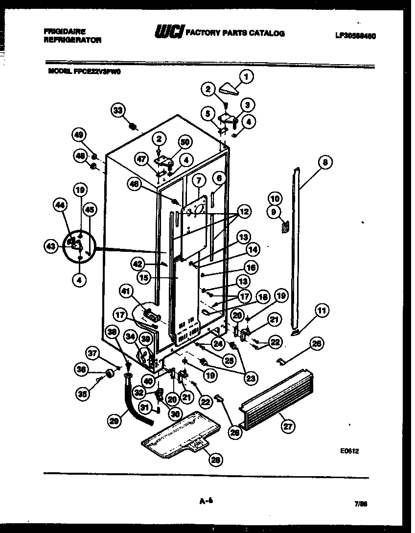
FPCE22V3FF0 04 – CABINET PARTSadmin2025-04-26T08:52:41+00:00FPCE22V3FF0 04 – CABINET PARTS ProductsPositionProduct1COVER, HNG, COFE2SCREW-HINGE MOUNTING (2)3WCI 80129344WASHER-5/16 NYLON6WCI 80007857WCI 80008258WCI 80007759WCI 800082010WCI 800082111WCI 800084312WCI 895017513WCI 800965014SCREW (5)15WCI 800082416WCI 800273417SCREW-COVER MOUNTING (NON-ILLUSTRATED)18WCI 800077919WCI 800018620WCI 800008821WCI 800005922WCI 800000523WCI 991881024WCI 800961725WCI 800958526WCI 800084727WCI 320066128WCI 800085029WCI 800276730WCI 800011831WCI 800001632WCI 800956833WCI 800000434WCI 800000135WCI 800026636WCI 800026537WCI 800006738WCI 800085339WCI 800001140WCI 800001341WCI 800073842WCI 800082243WCI 800083444WCI 800278845SCREW-HINGE/MULLION (4)46WCI 800009747WCI 801282948WCI 800697049WCI 800697150WCI 8012828