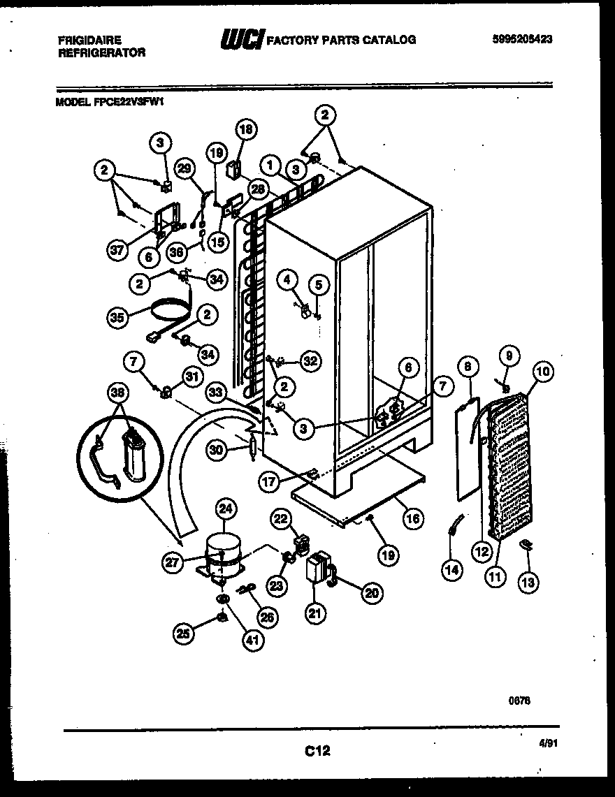
FPCE22V3FF1 07 – SYSTEM AND AUTOMATIC DEFROST PARTSadmin2025-04-26T08:52:59+00:00FPCE22V3FF1 07 – SYSTEM AND AUTOMATIC DEFROST PARTS ProductsPositionProduct*45746WCI 53001893791WCI 530300752125304455651 Frigidaire Refrigerator Screw3CLAMP-TUBE4WCI 53001667057218843801 Frigidaire Refrigerator Screw8WCI 530300756895303917954 Frigidaire Refrigerator Defrost Limit Thermostat Kit10WCI 530801756511BWCI 530300123511WCI 530391660511AWCI 530800961912WCI 530800082813WCI 5308002777145308000110 Frigidaire Refrigerator Evaporator/Heater Primary Strap15BRACKET, MOUNTIN, CONDENSER, (4)16WCI 530801711217WCI 0800009918WCI 5308002782195308000039 Frigidaire Refrigerator Screw205303006412 Frigidaire Refrigerator Cover Mounting Strap22RELAY-TL235303271616 Frigidaire Refrigerator P1-Overload24WCI 530895022325218513300 Frigidaire Refrigerator Compressor Mount Grommet26CLIP - COMPRESSOR MTG27WCI 0800002928WASHER, EXT TOOTH LOCK, NO. 10 (NON-ILLUSTRATED)29WIRING HARNESS, CONTROLS305303305677 Frigidaire Replacement Filter Dryer Filters325308000133 Frigidaire Refrigerator Clamp33SLEEVE-CONNECTOR345303001199 Frigidaire Refrigerator Wiring Harness Clamp35CORD-ELECTRIC POWER36WCI 530800961637WCI 530300119738CAPACITOR41WASHER-COMPR MTG