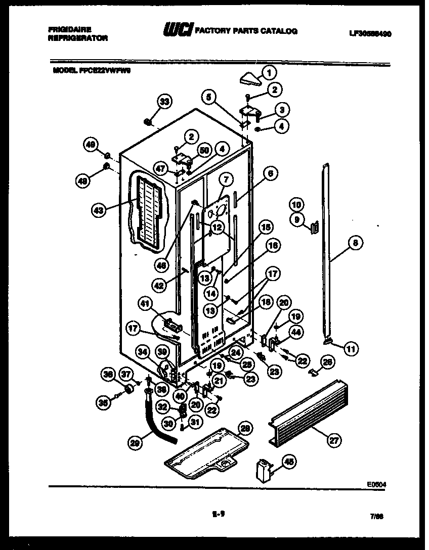
FPCE22VWFA0 04 – CABINET PARTSadmin2025-04-26T08:53:02+00:00FPCE22VWFA0 04 – CABINET PARTS ProductsPositionProduct1COVER, HNG, AVOC2SCREW-HINGE MOUNTING (2)3WCI 80129344WASHER-5/16 NYLON6WCI 80007857COVER-COIL UPPER8WCI 80007739WCI 800082010WCI 800082111WCI 800084112WCI 895017513WCI 800965014SCREW (5)15WCI 800082316WCI 800273417WCI 800009818WCI 800077919WCI 800018620WCI 800008821WCI 801029622WCI 800000523WCI 991881024WCI 800961725WCI 801452926WCI 800084727GRILLE28WCI 800085029WCI 801227430WCI 800011831WCI 800001632WCI 800956833WCI 800000434WCI 800000135WCI 800026636WCI 800026537WCI 800006738WCI 800085339WCI 800001140WCI 800001341WCI 800073842WCI 800082243DIVIDER-ICEMAKER44WCI 800005945COVER-BOTTOM HINGE46WCI 800009747WCI 801282948WCI 800697049WCI 800697150WCI 8012828