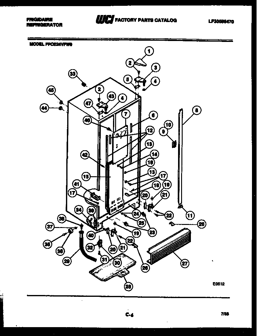
FPCE24VFL0 04 – CABINET PARTSadmin2025-04-26T08:52:57+00:00FPCE24VFL0 04 – CABINET PARTS ProductsPositionProduct1COVER, HNG, ALMD2SCREW-HINGE MOUNTING (2)3WCI 80129344WASHER-5/16 NYLON6WCI 80007857WCI 80027668WCI 80007769WCI 800082010WCI 800082111WCI 800084412WCI 895017513WCI 800965014SCREW (5)15WCI 801722316WCI 800273417SCREW-COVER MOUNTING (NON-ILLUSTRATED)18WCI 800077919WCI 800018620WCI 800008821WCI 800005922WCI 800000523WCI 991881024WCI 800961725WCI 800958526WCI 800084727WCI 320072528WCI 800085029WCI 800276730WCI 800011831WCI 800001632WCI 800956833WCI 800000434WCI 800000135WCI 800026636WCI 800026537WCI 800006738WCI 800085339WCI 800001140WCI 800001341WCI 800073842WCI 800082243WCI 801282844WCI 800697045WCI 800697146WCI 800009747WCI 8012829