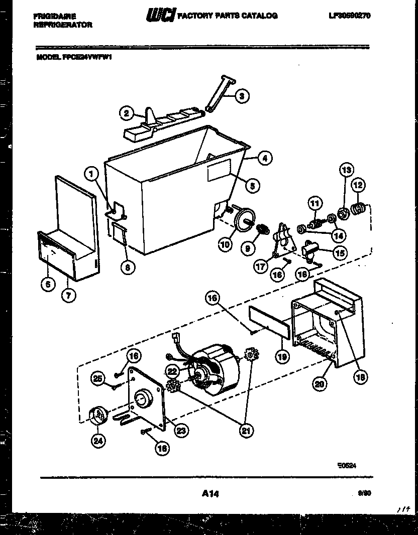
FPCE24VWFA1 08 – ICE DISPENSERadmin2025-04-26T08:52:42+00:00FPCE24VWFA1 08 – ICE DISPENSER ProductsPositionProduct*37003WCI 53030012131SPRING-ICE DOOR2WCI 53011235473WCI 30178424WCI 53030178405LABEL-ICE DISPENSER6WCI 53080157817WCI 53030178398WCI 53030178439WORM GEAR-ICE RAM10WCI 530112356811WORM-ICE RAM12WCI 530112376713COUPLING-ICE DISP CONTAINER14WCI 530112350815COVER-HOUSING ICE RAM17WCI 530017440819COVER-ICE DISP MTR20HOUSING-ICE DISP MTG21GROMMET-ICE DISP MTR (2)22WCI 530801704923WCI 530300110624WCI 5301123771255304455650 Frigidaire Refrigerator Screw