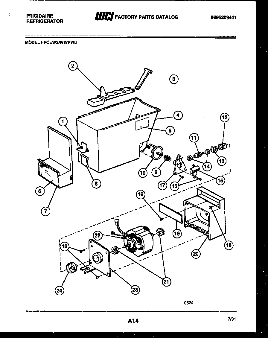
FPCEW24VWPW0 08 – ICE DISPENSERadmin2025-04-26T08:52:50+00:00FPCEW24VWPW0 08 – ICE DISPENSER ProductsPositionProduct1SPRING-ICE DOOR2WCI 53011235473WCI 53032058904WCI 53011387605LABEL-ICE DISPENSER6WCI 53032069597WCI 53030158288WCI 53174407019WORM GEAR-ICE RAM10WCI 530112356811WORM-ICE RAM12WCI 530112376713COUPLING-ICE DISP CONTAINER14WCI 530112350815COVER-HOUSING ICE RAM17WCI 5300174408185304455650 Frigidaire Refrigerator Screw19COVER-ICE DISP MTR20HOUSING-ICE DISP MTG21GROMMET-ICE DISP MTR (2)22WCI 530801704923WCI 530300110624WCI 5301123771