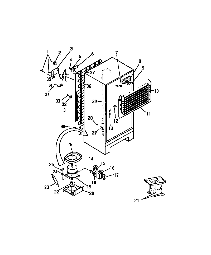
FPD16TICW0 11 – COMPRESSOR, CONDENSER, EVAPORATORadmin2025-04-26T08:34:31+00:00FPD16TICW0 11 – COMPRESSOR, CONDENSER, EVAPORATOR ProductsPositionProduct2WCI 80001873WCI 80136445WCI 80096176BRACKET-CONDENSER MOUNTING (4)7WCI 80000738WCI 80136469WCI 801364810PANEL, INTERIOR FOOD DOOR11HEATER-DEFROST12WCI 800364713WCI 800011014WCI 800765915WCI 801294916WCI 800011617WCI 800011718WCI 800011519WCI 895011220WCI 801313521WCI 895002422WCI 800877823WCI 800002724WASHER (4)25CLIP (4)26DEFROST PAN-SERVICE COMPRESSOR27WCI 800364328SCREW-BRACKET MOUNTING (4) (NON-ILLUSTRATED)29WCI 801027430WCI 800364531WCI 800926232CLAMP-CABLE (3)33SCREW-PANEL MOUNTING (56)34WCI 800006435CLAMP-STRAIN RELIEF (3)36WCI 800962837WCI 8006993