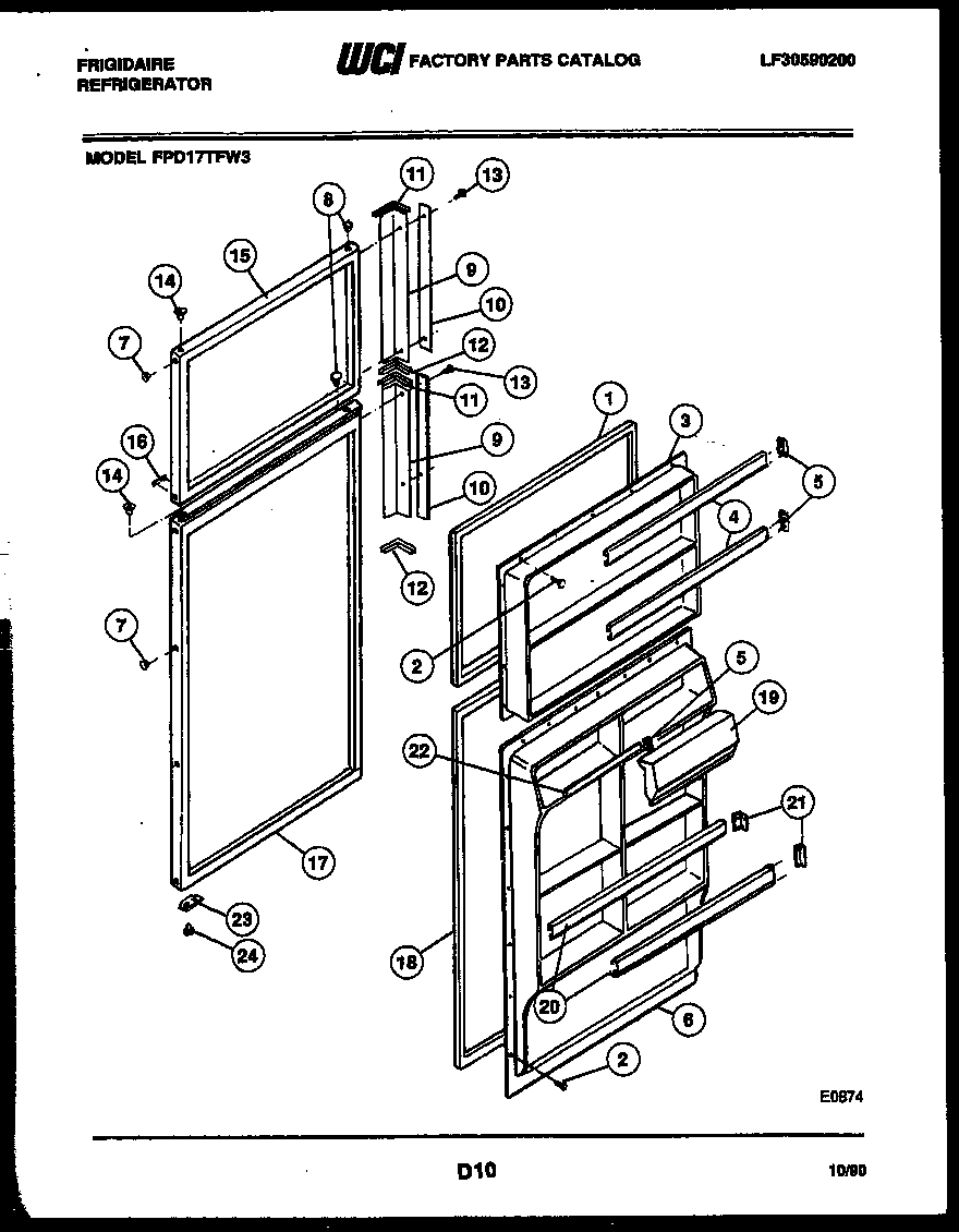
FPD17TFL3 02 – DOOR PARTSadmin2025-04-26T08:34:44+00:00FPD17TFL3 02 – DOOR PARTS ProductsPositionProduct1GASKET, FRZR DOOR, BROWN, MAGNETIC2218843801 Frigidaire Refrigerator Screw3WCI 30188654WCI 530301886655303323481 Frigidaire Refrigerator Left Hand Door Bar End Cap5A5303323480 Frigidaire Refrigerator Door Bar End Cap Rh6WCI 32004787PLUG-BUTTON, ALMOND, HANDLE/DR STOP8PLUG-BUTTON, ALMOND, HINGE BRG HOLE9HANDLE-COMPLETE10WCI 530801022911WCI 530801023912END CAP-BOTTOM (2)13SCREW-HANDLE MTG, 8 CR TRUSS HD, 10(D) X 1/214BEARING-HINGE15FREEZER DOOR-ALMD16NAMEPLATE17REFR DOOR-ALMD18218730603 Frigidaire Door Gasket19WCI 320058220215516220 Frigidaire Refrigerator Door Rack215303325990 Frigidaire Refrigerator Door Bar End Cap21A5303325991 Frigidaire Refrigerator Door Bar Endcap22RACK-REFR DOOR23WCI 530800025524WCI 5308011745