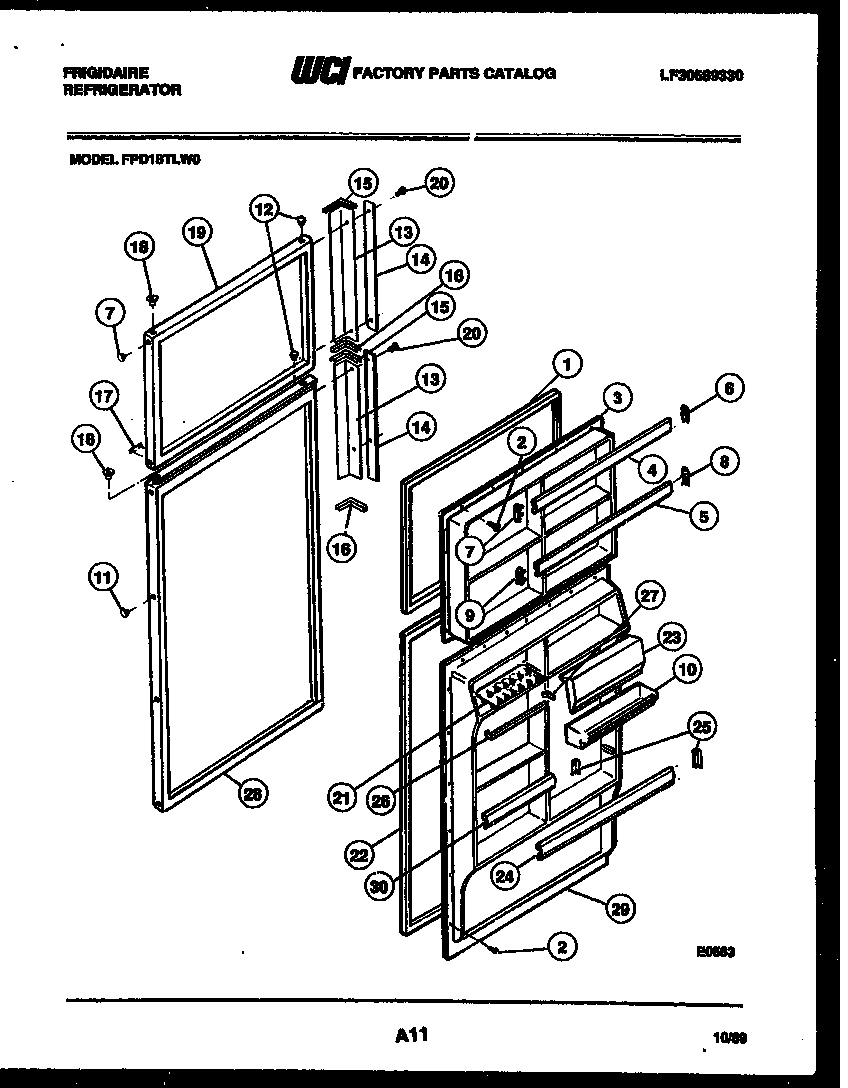
FPD18TLF0 02 – DOOR PARTSadmin2025-04-26T08:34:38+00:00FPD18TLF0 02 – DOOR PARTS ProductsPositionProduct*26884DOOR STOP (2)*26884INSULATION-BULK1GASKET-FRZR DOOR, MAGNETIC, BROWN25304455651 Frigidaire Refrigerator Screw3WCI 32064634WCI 32064645215516220 Frigidaire Refrigerator Door Rack8WCI 32056509WCI 320564810WCI 0800983711WCI 0800017812WCI 0800017413WCI 301719014WCI 0801023215WCI 0801023916WCI 0801023817NAMEPLATE18BEARING-HINGE19WCI 391660920SCREW21215817806 Frigidaire Refrigerator Egg Tray225303207345 Frigidaire Refrigerator Door Gasket23DOOR-DAIRY25A5303325991 Frigidaire Refrigerator Door Bar Endcap255303325990 Frigidaire Refrigerator Door Bar End Cap26WCI 3206470275303323481 Frigidaire Refrigerator Left Hand Door Bar End Cap27A5303323480 Frigidaire Refrigerator Door Bar End Cap Rh28WCI 391661429WCI 3206467