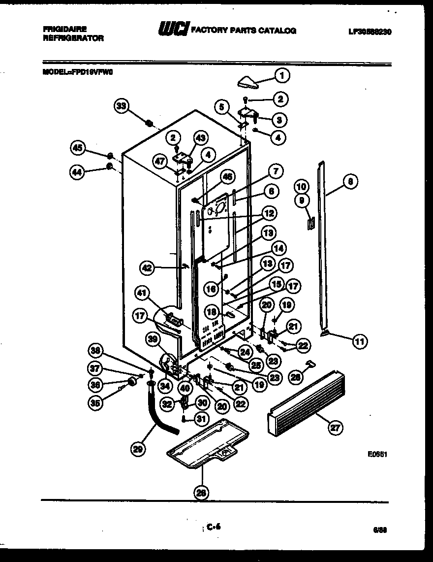
FPD19VFA0 04 – CABINET PARTSadmin2025-04-26T08:34:44+00:00FPD19VFA0 04 – CABINET PARTS ProductsPositionProduct1COVER, HNG, AVOC2SCREW-HINGE MOUNTING (2)3WCI 80129344WASHER-5/16 NYLON6WCI 80007857WCI 80008258WCI 80007739WCI 800082010WCI 800082111WCI 800084112WCI 895017513WCI 800965015WCI 801722316WCI 800273417SCREW-COVER MOUNTING (NON-ILLUSTRATED)18WCI 800077919WCI 800018620WCI 800008821WCI 800005922WCI 800000523WCI 991881024WCI 800961725WCI 801452926WCI 800009127WCI 301672628WCI 800008629241957901 Frigidaire Refrigerator Tube-Drain30WCI 800011831WCI 800001632WCI 800956833WCI 800000434WCI 800000135WCI 800026636WCI 800026537WCI 800006738WCI 800085339WCI 800001140WCI 800001341WCI 800073842WCI 800082243WCI 801282844WCI 800697045WCI 800697146WCI 800009747WCI 8012829