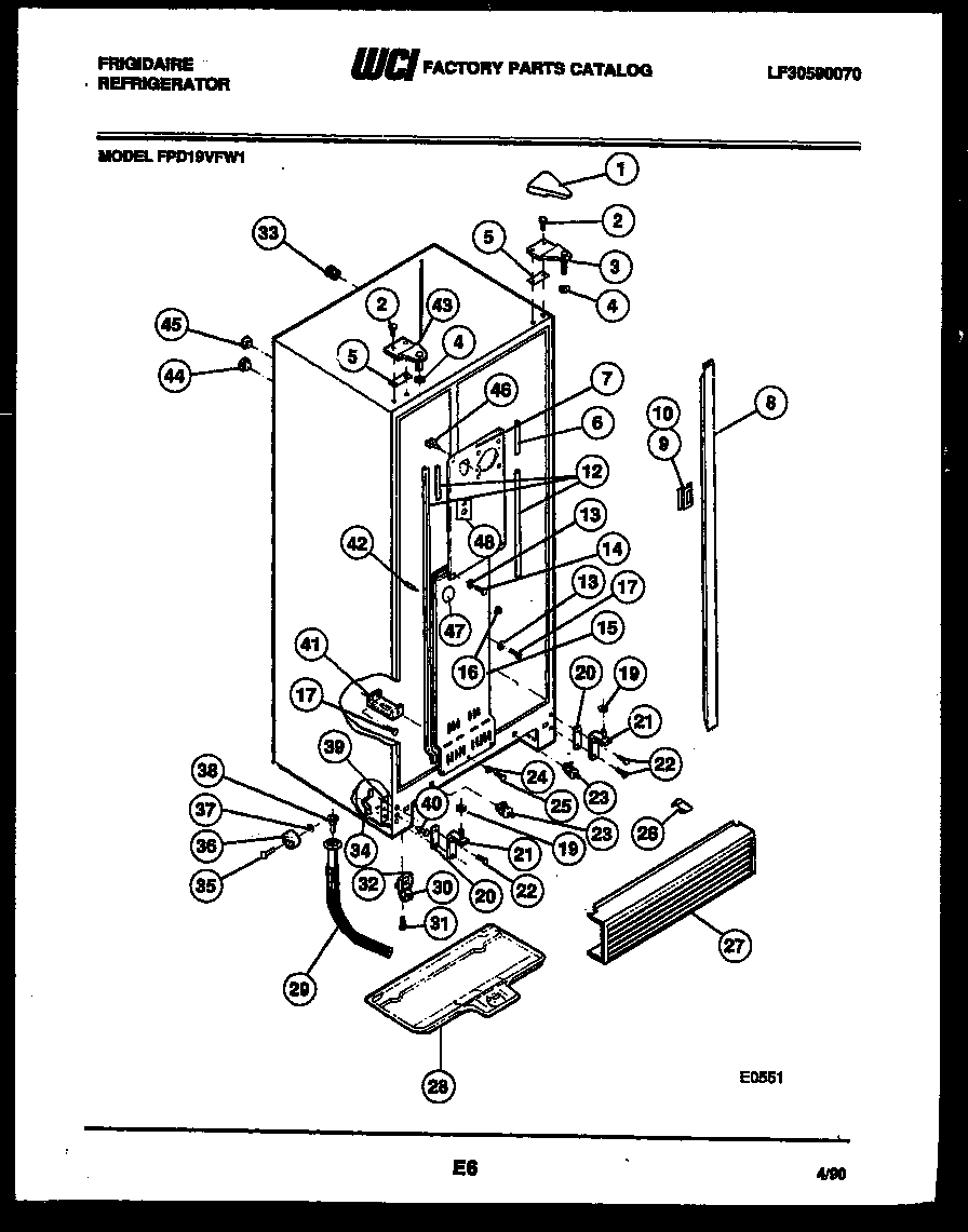
FPD19VFA1 04 – CABINET PARTSadmin2025-04-26T08:34:22+00:00FPD19VFA1 04 – CABINET PARTS
Products
| Position | Product |
|---|
| *31128 | TAPPING PLATE, UPPER HINGE (2) (NOT ILLUSTRATED) |
| *31128 | PLUG, BUTTON, CABINET LINER (NI) |
| 1 | COVER-HINGE-AVOCADO |
| 2 | 241710601 Frigidaire Refrigerator Screw |
| 3 | WCI 5308012934 |
| 4 | WCI 5308000186 |
| 5 | SHIM - UPPER HINGE |
| 6 | WCI 5303001219 |
| 7 | SCREW-CLOSER MTG |
| 7A | NUT, ``U`` TYPE, NO. 8-15(A), FAN MOTOR MOUNT (NOT ILLUSTRATED) |
| 7 | WCI 08000825 |
| 8 | WCI 3916445 |
| 9 | WCI 5300169100 |
| 10 | WCI 5303200733 |
| 10 | WCI 5303001281 |
| 12 | WCI 5303001233 |
| 13 | WASHER-NYLON,3/16 X 5/8 OD |
| 15 | WCI 5308017223 |
| 16 | WCI 5303001231 |
| 17 | 5304455650 Frigidaire Refrigerator Screw |
| 19 | WASHER, .28 X .62 X .19, NYLON |
| 20 | SHIM-BTM HINGE (3) |
| 21 | HINGE-BOTTOM |
| 22 | SCREW-HINGE MTG (2) (NON-ILLUSTRATED) |
| 23A | CLIP-CABLE |
| 23 | 5303289051 Frigidaire Refrigerator Light Switch |
| 24 | WASHER, EXT TOOTH LOCK, NO. 10 (NON-ILLUSTRATED) |
| 25 | WCI 5303001230 |
| 26 | CLIP-GRILLE |
| 27 | WCI 5303016726 |
| 28 | WCI 5308000086 |
| 29 | WCI 5303209723 |
| 30 | ROLLER-FRONT (2) |
| 31 | SCREW-ROLLER MTG,SPCL IND HEX HD, 5/16-18(23) X 7/8 |
| 32 | SCREW-ROLLER ADJ (2) (NON-ILLUSTRATED) |
| 33 | TUBE-RUBBER |
| 34 | WCI 5300077210 |
| 35 | WCI 5308000266 |
| 36 | WCI 5308000265 |
| 37 | Nut,push-on |
| 38 | WCI 5308000853 |
| 39 | WCI 5303001273 |
| 40 | WCI 5308000013 |
| 41 | WCI 5308000738 |
| 42 | WCI 5303001250 |
| 43 | WCI 3001062 |
| 44 | WCI 5303001286 |
| 45 | WCI 5303001287 |
| 46 | SUPPORT-COIL COVER |
| 47 | 5303208309 Frigidaire Refrigerator Plug Hole |
| 48 | PLUG-DECORATIVE, ICE MAKER HOLE |