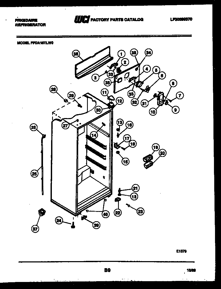
FPDA18TLF0 03 – CABINET PARTSadmin2025-04-26T08:34:31+00:00FPDA18TLF0 03 – CABINET PARTS ProductsPositionProduct1WCI 0800004225300158289 Frigidaire Evaporator Fan Motor3WCI 080001074WCI 080000435A218843801 Frigidaire Refrigerator Screw5WCI 0800012465308000010 Frigidaire Refrigerator Evaporator Fan Blade75304455650 Frigidaire Refrigerator Screw8WCI 080000679WCI 320638910WCI 320638711COVER-TOP HINGE-COFFEE12WCI 320610012A241710601 Frigidaire Refrigerator Screw13WCI 0800000714WCI 320233915WCI 300103816WCI 0800018417WCI 0800075718WCI 0801225818AWASHER-MULLION (4)19WCI 320420620WCI 3001546215303001321 Frigidaire Refrigerator Lower Hinge Pin22WCI 320613624SCREW-LEVELING, (2)25TUBE-DEFROST DRAIN25AWCI 0800005626RING-SEAL27WCI 0800712828TUBE29WCI 0800009730WCI 0801282931WCI 3206110325304455651 Frigidaire Refrigerator Screw33G187559 Frigidaire Refrigerator Bushing34WCI 320645134AWCI 0800012635WCI 0801363636TROUGH-DRAIN37WCI 320623738PLUG-SHORT TEST HOLE (NON-ILLUSTRATED)39WCI 320613540PLUG-BUTTON