| NI | SCREW,TRUSS HEAD,8-18 X 0.375 |
| NI | WCI 318186800 |
| NI | SCREW, 10 X 3/8 |
| NI | WCI 318199761 |
| NI | 5303211311 Frigidaire Refrigerator Screw |
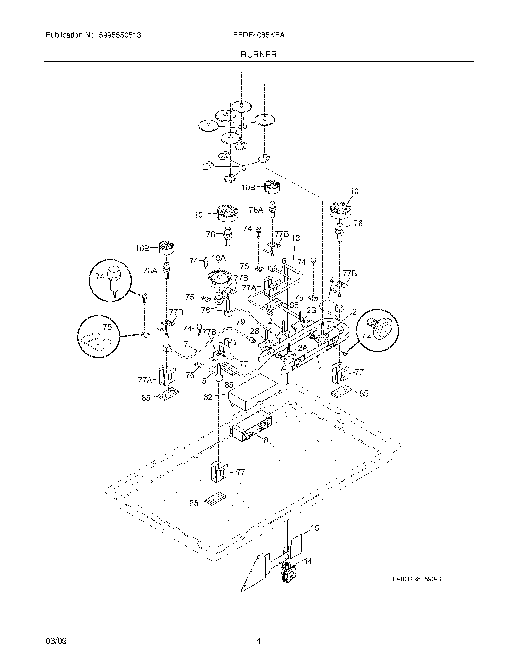
| 1 | WCI 318177200 |
| 2 | WCI 5303935042 |
| 2B | WCI 318087001 |
| 2A | WCI 318087040 |
| 3 | 318232607 Frigidaire Wiring Harness |
| 4 | WCI 318167715 |
| 5 | WCI 318167716 |
| 6 | WCI 318167706 |
| 7 | WCI 318167713 |
| 8 | SPARK MODULE |
| 10B | WCI 318148000 |
| 10A | WCI 318148002 |
| 10 | WCI 318148001 |
| 13 | WCI 318054507 |
| 14 | WCI 318122700 |
| 15 | WCI 318149202 |
| 35 | WCI 318146301 |
| 62 | WCI 318160203 |
| 72 | WCI 5303323141 |
| 74 | 318148700 Frigidaire Igniter P1 |
| 75 | WCI 318148800 |
| 76 | 318167801 Frigidaire Oven Tube |
| 76A | WCI 318167800 |
| 77A | WCI 318112000 |
| 77 | WCI 318112010 |
| 77B | WCI 318180900 |
| 79 | WCI 318167712 |
| 85 | WCI 318175302 |