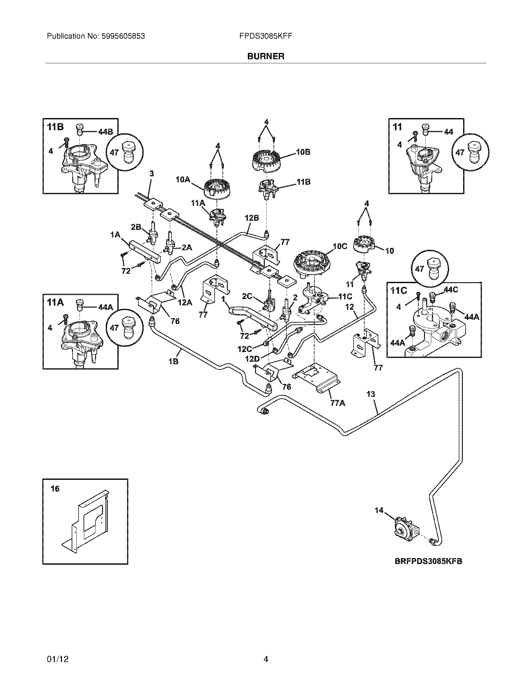
FPDS3085KFF 05 – BURNER