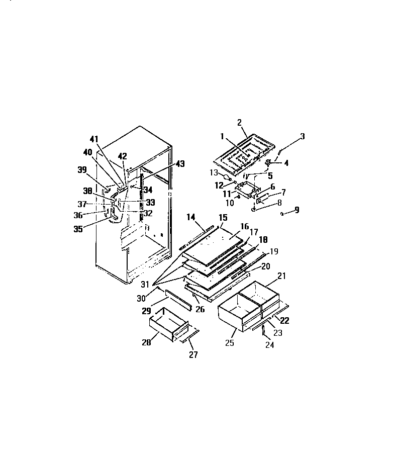
FPE16TCA0 06 – INTERIOR FOOD COMPARTMENTadmin2025-04-26T08:34:32+00:00FPE16TCA0 06 – INTERIOR FOOD COMPARTMENT ProductsPositionProduct1WCI 80000342WCI 80100003WCI 80036374WCI 80027265215846602 Frigidaire Refrigerator 8-Hour Defrost Timer6SCREW-CONTROL MOUNTING (2) (NON-ILLUSTRATED)7WCI 80098168WCI 80100119WCI 801229410WCI 800000811CONTROL BOX12WCI 800012914WCI 801280915WCI 801281316WCI 801280517WCI 800040918WCI 801280819WCI 801280720WCI 800999921WCI 800983923WCI 800985124WCI 800699525PAN-CRISPER RS26WCI 800964727WCI 800985228WCI 800985829WCI 800972729AWCI 800972830216858001 Frigidaire Refrigerator Screw31WCI 801281032WCI 801364333WCI 800992534WCI 800272835WCI 800976836WCI 800976437WCI 800976738WCI 800976639WCI 800976541WCI 800991042COVER43WCI 8000302